Skip to main content
Renesas Electronics Corporation

Features

  • Pin-to-pin Compatible with HIP6602 SOIC family
  • Quad N-Channel MOSFET Drives for Two Synchronous Rectified Bridges
  • Advanced Adaptive Zero Shoot-Through Protection
  • Body Diode Detection
  • Auto-zero of rDS(ON) Conduction Offset Effect
  • Adjustable Gate Voltage (5V to 12V) for Optimal Efficiency
  • Internal Bootstrap Schottky Diode
  • Bootstrap Capacitor Overcharging Prevention
  • Supports High Switching Frequency (up to 1MHz)
  • 3A Sinking Current Capability
  • Fast Rise/Fall Times and Low Propagation Delays
  • Three-State PWM Input for Output Stage Shutdown
  • Three-State PWM Input Hysteresis for Applications With Power Sequencing Requirement
  • Pre-POR Overvoltage Protection
  • VCC Undervoltage Protection
  • Expandable Bottom Copper Pad for Enhanced Heat Sinking
  • QFN Package:
  • Compliant to JEDEC PUB95 MO-220 QFN - Quad Flat No Leads - Package Outline
  • Near Chip Scale Package footprint, which improves PCB efficiency and has a thinner profile
  • Pb-Free Plus Anneal Available (RoHS Compliant)

Description

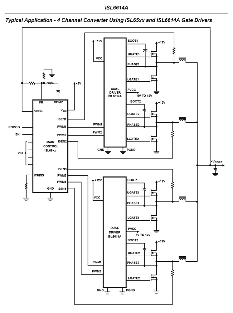
The ISL6614A integrates two ISL6613A MOSFET drivers and is specifically designed to drive two Channel MOSFETs in a synchronous rectified buck converter topology. These drivers combined with HIP63xx or ISL65xx Multiphase Buck PWM controllers and N-Channel MOSFETs form complete core voltage regulator solutions for advanced microprocessors. The ISL6614A drives both the upper and lower gates simultaneously over a range from 5V to 12V. This drive voltage provides the flexibility necessary to optimize applications involving trade-offs between gate charge and conduction losses. An advanced adaptive zero shoot-through protection is integrated to prevent both the upper and lower MOSFETs from conducting simultaneously and to minimize the dead time. These products add an overvoltage protection feature operational before VCC exceeds its turn-on threshold, at which the PHASE node is connected to the gate of the low side MOSFET (LGATE). The output voltage of the converter is then limited by the threshold of the low side MOSFET, which provides some protection to the microprocessor if the upper MOSFET(s) is shorted during startup. The ISL6614A also features a three-state PWM input which, working together with Intersil's Multiphase PWM controllers, prevents a negative transient on the output voltage when the output is shut down. This feature eliminates the Schottky diode that is used in some systems for protecting the load from reversed output voltage events.

Applications

  • Core Regulators for Intel® and AMD® Microprocessors
  • High Current DC-DC Converters
  • High Frequency and High Efficiency VRM and VRD

Applied Filters: