Skip to main content
Renesas Electronics Corporation

Features

  • Core Configuration Flexibility
  • Dual Plane, Single-Phase Controllers
  • Uniplane, Two-Phase Controller
  • Precision Voltage Regulators
  • 0.5% System Accuracy Over-temperature
  • Voltage Positioning with Adjustable Load Line and Offset
  • Internal Gate Drivers with 2A Driving Capability
  • Differential Remote CPU Die Voltage Sensing
  • Core Differential Current Sensing: DCR or Resistor
  • Northbridge Lossless rDS(ON) Current Sensing
  • Serial VID Interface
  • Two Wire Clock and Data Bus
  • Supports High-Speed I2C
  • 0.500V to 1.55V in 12.5mV Steps
  • Supports PSI_L Power-Saving Mode
  • Core Outputs Feature Phase Shedding with PSI_L
  • Adjustable Output-Voltage Offset
  • Digital Soft-Start of all Outputs
  • User Programmable Switching Frequency
  • Static and Dynamic Current Sharing (Uniplane Core)
  • Overvoltage, Undervoltage, and Overcurrent Protection
  • Pb-Free (RoHS compliant)

Description

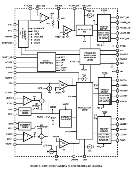
The ISL6265A is a multi-output controller with embedded gate drivers. A single-phase controller powers the Northbridge (VDDNB) portion of the CPU. The two remaining controller channels can be configured for two-phase or individual single-phase outputs. For uniplane CPU applications, the ISL6265A is configured as a two-phase buck converter. This allows the controller to interleave channels to effectively double the output voltage ripple frequency, and thereby reduce output voltage ripple amplitude with fewer components, lower component cost, reduced power dissipation, and smaller area. For dual-plane processors, the ISL6265A can be configured as independent single-phase controllers powering VDD0 and VDD1. The heart of the ISL6265A is the patented R3 Technology™, Intersil's Robust Ripple Regulator modulator. Compared with the traditional buck regulator, the R3 Technology™ has a faster transient response. This is due to the R3 modulator commanding variable switching frequency during a load transient. The Serial VID Interface (SVI) allows dynamic adjustment of the Core and Northbridge output voltages independently and in combination from 0. 500V to 1. 55V. Core and Northbridge output voltages achieve a 0. 5% system accuracy over-temperature. A unity-gain differential amplifier is provided for remote CPU die sensing. This allows the voltage on the CPU die to be accurately regulated per AMD mobile CPU specifications. Core output current sensing is realized using lossless inductor DCR sensing. All outputs feature overcurrent, overvoltage and undervoltage protection.

Applied Filters: