Skip to main content

Features

  • Meets Energy Star® AC-DC and AC-AC power supply efficiency specs (Rev 2.0)
    • Less than 20mW no-load power consumption
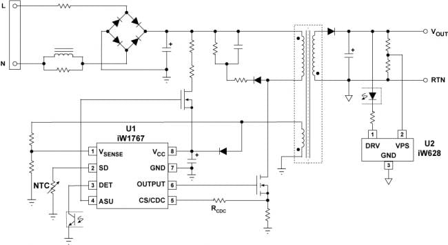
  • Optional secondary-side detection input to obtain fast dynamic load response (DLR)
  • High output power capable - Range of 15W to 24W
  • Active start-up - Reduces turn-on time without impacting no-load power consumption
  • Ultra-low 250µA operating current at no-load
  • 79kHz PWM switching frequency
  • Selectable voltage offset compensation for voltage loss in cables and connectors (5 options)
  • PrimAccurate™- Primary-side control, no optocoupler needed
  • Intrinsically low noise solution - No audible noise over the entire operating range
  • Adaptive multi-mode PWM/PFM control for optimal efficiency across load range
  • EZ-EMI™ design to easily meet global EMI specifications
  • Fully protected from fault conditions
    • Overvoltage/Over-temperature protection
    • Output overvoltage and overcurrent
    • Input undervoltage protection
    • Sense-resistor short circuit protection

Description

The iW1767 offers high-performance and very fast dynamic load response (DLR) while maintaining ultra-low no-load power consumption. Ideal for 15W to 24W AC/DC power supplies for embedded and networking applications, the iW1767 uses Renesas' advanced digital power supply technology to offer a solution that provides the ruggedness, efficiency and performance necessary in high-reliability devices.

The iW1767 easily meets the US DoE’s external power supply standard and the EU’s Code of Conduct, Version 5, Tier 2 standard, with no-load power consumption less than 20mW while complying with active mode efficiency requirements. As a PrimAccurate™ controller, it does not need any direct secondary-side feedback components, eliminating the need for optocouplers and reducing component count and solution cost. Additional features include an input for the iW628 detection circuit to further increase the response time to load changes, high efficiency across a broad load range and a full complement of protection features to ensure safe and rugged operation.

Applications

  • Power adapters for networking devices and monitors
  • Universal input power supplies (15W to 24W)

Applied Filters: