Features
- Meets proposed mandatory federal efficiency standards for external power supplies
- Adaptively controlled soft start-up - Fast yet smooth start-up into large capacitive loads
- Intrinsically low noise solution - No audible noise over entire operating range
- 72kHz PWM switching frequency
- Easily meets Energy Star® AC/DC power supply efficiency specs (Rev. 2.0)
- Less than 100mW no-load power consumption
- Voltage offset compensation for voltage loss in cables and connectors (3 options)
- PrimAccurate™ - Primary-side control, no optocoupler needed
- Quasi-resonant control for optimal efficiency
- EZ-EMI™ design to easily meet global EMI specifications
- Fast dynamic load regulation
- Fully protected from fault conditions
- Over-temperature protection
- Output overvoltage and overcurrent
- Input undervoltage protection
- Sense-resistor short circuit protection
Description
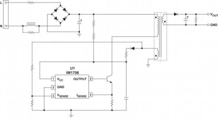
The iW1706 is a high-performance AC/DC controller designed to drive an external power bipolar junction transistor (BJT) for peak current mode PWM flyback power supplies. Ideal for networking power supplies in applications such as ADSL modems and wireless access points, the iW1706 integrates a proprietary soft-start feature that allows for a smooth, yet fast start-up into capacitive loads between 330µF to 6000µF.
The iW1706 meets the US DoE’s external power supply standard and the EU’s Code of Conduct, Version 5, Tier 1 standard with no-load power consumption less than 100mW. As a PrimAccurate™ controller, which uses primary-side control algorithms, the iW1706 does not need any direct secondary-side feedback components, eliminating the need for optocouplers, and reducing component count and solution cost. Additional features include Renesas' proprietary EZ-EMI™ technology, quasi-resonant control for optimal efficiency at heavy loads, cable and connector voltage drop compensation options, full protection from fault conditions, and tiny packaging.
Parameters
| Attributes | Value |
|---|---|
| Topology Characteristic | Flyback |
| Control Mode | Primary-Side Regulation Peak Current Mode DCM |
| UVLO Rising (V) | 11 |
| UVLO Falling (V) | 4 |
| VBIAS (Max) (V) | 16 |
| PWMs (#) | 1 |
| Output Power Max (W) | 10 |
| Switching Frequency (KHz) | 72 - 72 |
| No Load Power (mW) | 100 |
| Controller / Integrated | Controller |
| Advanced Features | EZ-EMI, PrimAccurate |
| Temp. Range (°C) | -40 to +125°C |
| Qualification Level | Standard |
Package Options
| Pkg. Type | Lead Count (#) | Pitch (mm) |
|---|---|---|
| SOT23-5L | 6 | 0.95 |
Applications
- Networking power supplies
- ADSL modems
- Wireless access points
Applied Filters: