Skip to main content
Renesas Electronics Corporation

Features

  • Supports Intel serial data bus interface
    • Fully supports PS4 power domain entry and exit
  • Supports system input power monitor (PSYS)
  • Three-output controller
    • VR A configurable for 3-, 2-, 1-phase VR design
    • VR B supports 1-phase VR design
    • VR C supports 1-phase VR design
  • 0.5% system accuracy over temperature
  • Low supply current in PS4 state
  • Supports multiple current sensing methods
    • Lossless inductor DCR current sensing
    • Precision resistor current sensing
  • Differential remote voltage sensing
  • Programmable SVID address
  • Programmable VBOOT voltage at start-up
  • Resistor programmable address selection, IMAX, slew rate, switching frequency, and droop
  • Adaptive body diode conduction time reduction

Description

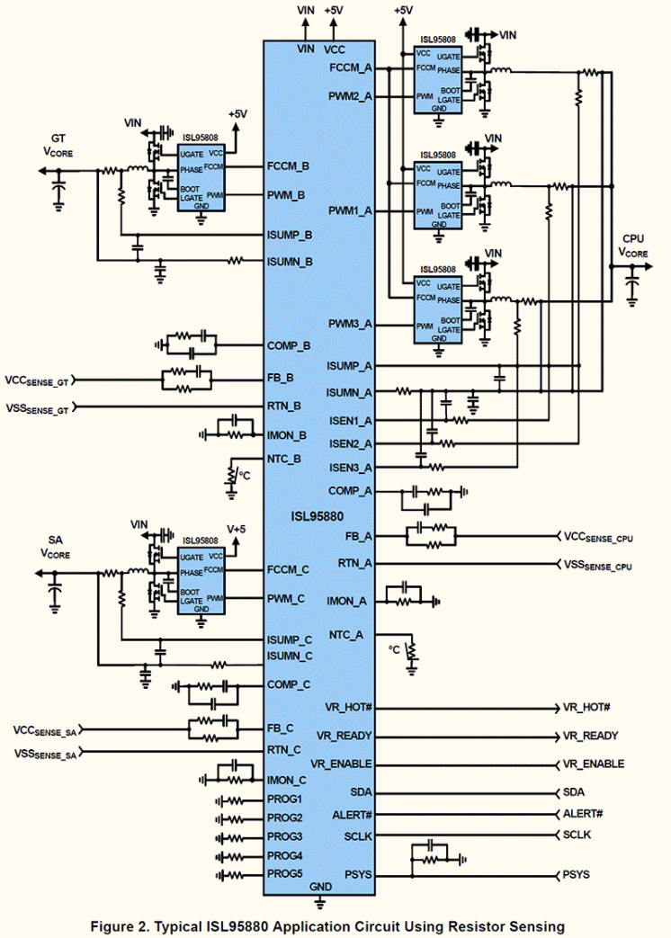
The ISL95880 is compliant with IMVP8, and provides a complete power solution for Intel microprocessors supporting core, graphics, and system agent rails. The controller provides control and protection for three Voltage Regulator (VR) outputs. The VR A output can be configured for 3-, 2- or 1-phase operation. VR B supports 1-phase operation, and VR C supports 1-phase operation. The address options for these three outputs allow for maximum flexibility to support the IMVP8 CPU. All three VRs share a common serial control bus to communicate with the CPU and achieve lower cost and smaller board area compared with a two-chip approach. The ISL95880 has expanded ICCMAX register tables for VR A and VR C to support Intel CFL-H. Based on the Renesas Robust Ripple Regulator (R3™) technology, the R3 modulator has many advantages compared to traditional modulators. These include faster transient settling time, variable switching frequency in response to load transients, and improved light-load efficiency due to diode emulation mode with load-dependent low switching frequency. The ISL95880 has several other key features. The controller provides PWM outputs, which support Intel DrMOS power stages (or similar) and discrete power stages using the Renesas ISL95808 high voltage synchronous rectified buck MOSFET driver. The controller complies with IMVP8 PS4 power requirements and supports compatible power stages and drivers. The controller supports DCR current sensing with a single NTC thermistor for DCR temperature compensation, or more precision through resistor current sensing.

Applied Filters: