Skip to main content
Renesas Electronics Corporation

Features

  • Intersil VR11.1 and VR12 Compatible
  • Dual MOSFET Driver for Synchronous Rectified Bridge
  • Advanced Adaptive Zero Shoot-through Protection
  • Programmable Fixed Deadtime for Efficiency Optimization
  • Low Standby Bias Current
  • 36V Internal Bootstrap Diode
  • Bootstrap Capacitor Overcharge Prevention
  • Supports High Switching Frequency
  • 4A Sinking Current Capability
  • Fast Rise/Fall Times and Low Propagation Delays
  • Integrated High-Side Gate-to-Source Resistor to Prevent Self Turn-on Due to High Input Bus dV/dt
  • Power Rails Undervoltage Protection
  • Expandable Bottom Copper Pad for Enhanced Heat Sinking
  • Dual Flat 10 Ld (3x3 DFN) Package
  • Near Chip-Scale Package Footprint; Improves PCB Efficiency and Thinner in Profile
  • Pb-Free (RoHS Compliant)

Description

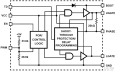
The ISL6627 is a high frequency MOSFET driver designed to drive upper and lower power N-Channel MOSFETs in a synchronous rectified buck converter topology. The advanced PWM protocol of ISL6627 is specifically designed to work with Intersil VR11. 1, VR12 controllers and combined with N-Channel MOSFETs to form a complete core-voltage regulator solution for advanced microprocessors. When ISL6627 detects a PSI protocol sent by an Intersil VR11. 1, VR12 controller, it activates Diode Emulation (DE) operation; otherwise, it operates in normal Continuous Conduction Mode (CCM) PWM mode. To further enhance light load efficiency, the ISL6627 enables diode emulation operation during PSI mode. This allows Discontinuous Conduction Mode (DCM) by detecting when the inductor current reaches zero and subsequently turning off the low side MOSFET to prevent it from sinking current. When ISL6627 detects Diode Braking command from the PWM, it turns off both gates and reduces overshoot in load transient situations. An advanced adaptive shoot-through protection is integrated to prevent both the upper and lower MOSFETs from conducting simultaneously and to minimize dead time. The user also has the option to program the driver working in fixed propagation delay mode to optimize the regulator efficiency. The ISL6627 has a 20kΩ integrated high-side gate-to-source resistor to prevent self turn-on due to high input bus dV/dt.

Applications

  • High Light Load Efficiency Voltage Regulators
  • Core Regulators for Advanced Microprocessors
  • High Current DC/DC Converters
  • High Frequency and High Efficiency VRM and VRD

Applied Filters: