| CAD Model: | View CAD Model |
| Pkg. Type: | DFN |
| Pkg. Code: | LBT |
| Lead Count (#): | 10 |
| Pkg. Dimensions (mm): | 3.0 x 3.0 x 0.90 |
| Pitch (mm): | 0.5 |
| Moisture Sensitivity Level (MSL) | 3 |
| Pb (Lead) Free | Yes |
| RoHS (ISL6617AFRZ-TK) | Download |
| ECCN (US) | |
| HTS (US) |
| Lead Count (#) | 10 |
| Carrier Type | Reel |
| Moisture Sensitivity Level (MSL) | 3 |
| Pb (Lead) Free | Yes |
| Pb Free Category | Pb-Free 100% Matte Tin Plate w/Anneal-e3 |
| Temp. Range (°C) | -40 to +125°C |
| IS (mA) | 5 |
| Length (mm) | 3 |
| MOQ | 1000 |
| No Load IS (Max) | 7.5 |
| Output Per Driver LGATE Source|Sink | .05|.05 |
| Output Per Driver UGATE Source|Sink | .05|.05 |
| Parametric Category | Multiphase DC/DC Switching Controllers |
| Phase Voltage (Max) | N/A |
| Phase Voltage (Min) | N/A |
| Pitch (mm) | 0.5 |
| Pkg. Dimensions (mm) | 3.0 x 3.0 x 0.90 |
| Pkg. Type | DFN |
| Price (USD) | $2.05876 |
| Qualification Level | Standard |
| Thickness (mm) | 0.9 |
| VDRIVE (V) (V) | 5 - 5 |
| VIN/VPWM (Max) | -0.3V to VCC + 0.3V |
| Width (mm) | 3 |
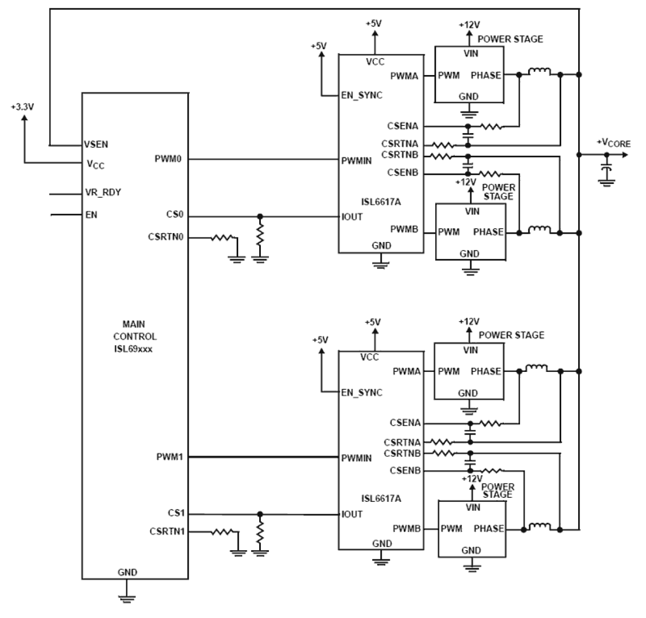
The ISL6617A uses Intersil’s proprietary Phase Doubler scheme to modulate two-phase power trains with single PWM input. It doubles the number of phases that 3. 3V multiphase controllers can support. The ISL6617A is designed to minimize the number of analog signals that interface between the controller and drivers in high phase count scalable applications. The common COMP signal, which is usually seen in conventional cascaded configurations, is not required; this improves noise immunity and simplifies the layout. Furthermore, the ISL6617A provides low part count and low cost advantage over the conventional cascaded technique. By cascading the ISL6617A with another ISL6617 or ISL6611A, it can quadruple the number of phases that 3. 3V multiphase controllers can support. The ISL6617A also features tri-state inputs and outputs that recognize a high-impedance state, working together with Intersil multiphase PWM controllers and driver stages to prevent negative transients on the controlled output voltage when operation is suspended. This feature eliminates the need for the Schottky diode that may be utilized in a power system to protect the load from excessive negative output voltage damage.