Skip to main content
Renesas Electronics Corporation

Features

  • Integrated Multiphase Power Conversion
  • 2- or 3-Phase Operation with Internal Drivers
  • 4-Phase Operation with External PWM Driver Signal
  • Precision Core Voltage Regulation
  • Differential Remote Voltage Sensing
  • ±0.5% System Accuracy Over-Temperature
  • Adjustable Reference-Voltage Offset
  • Optimal Transient Response
  • Active Pulse Positioning (APP) Modulation
  • Adaptive Phase Alignment (APA)
  • Fully Differential, Continuous DCR Current Sensing
  • Accurate Load Line Programming
  • Precision Channel Current Balancing
  • User Selectable Adaptive Dead Time Scheme
  • PHASE Detect or LGATE Detect for Application Flexibility
  • Variable Gate Drive Bias: 5V to 12V
  • Multi-Processor Compatible
  • Intel VR10 and VR11 Modes of Operation
  • AMD Mode of Operation
  • Microprocessor Voltage Identification Inputs
  • 8-bit DAC
  • Selectable between Intel's Extended VR10, VR11, AMD 5-bit, and AMD 6-bit DAC Tables
  • Dynamic VID Technology
  • Overcurrent Protection
  • Multi-Tiered Overvoltage Protection
  • Digital Soft-Start
  • Selectable Operation Frequency up to 1.5MHz Per Phase
  • Pb-Free (RoHS Compliant)

Description

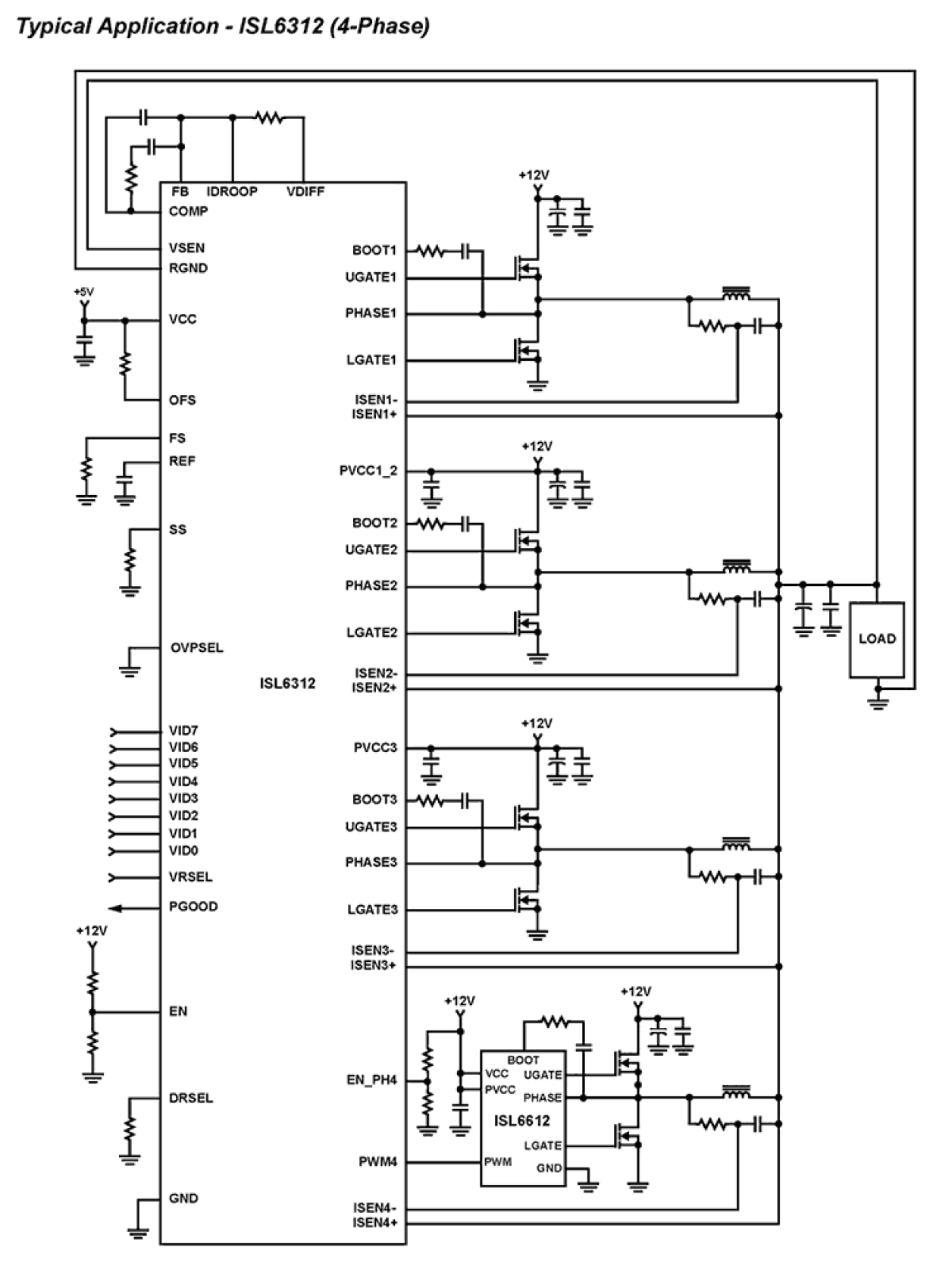
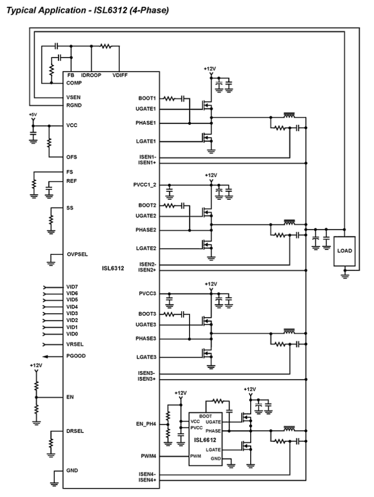
The ISL6312 four-phase PWM control IC provides a precision voltage regulation system for advanced microprocessors. The integration of power MOSFET drivers into the controller IC marks a departure from the separate PWM controller and driver configuration of previous multiphase product families. By reducing the number of external parts, this integration is optimized for a cost and space saving power management solution. One outstanding feature of this controller IC is its multi-processor compatibility, allowing it to work with both Intel and AMD microprocessors. Included are programmable VID codes for Intel VR10, VR11, as well as AMD DAC tables. A unity gain, differential amplifier is provided for remote voltage sensing, compensating for any potential difference between remote and local grounds. The output voltage can also be positively or negatively offset through the use of a single external resistor. The ISL6312 also includes advanced control loop features for optimal transient response to load apply and removal. One of these features is highly accurate, fully differential, continuous DCR current sensing for load line programming and channel current balance. Active Pulse Positioning (APP) modulation is another unique feature, allowing for quicker initial response to high di/dt load transients. This controller also allows the user the flexibility to choose between PHASE detect or LGATE detect adaptive dead time schemes. This ability allows the ISL6312 to be used in a multitude of applications where either scheme is required. Protection features of this controller IC include a set of sophisticated overvoltage, undervoltage, and overcurrent protection. Furthermore, the ISL6312 includes protection against an open circuit on the remote sensing inputs. Combined, these features provide advanced protection for the microprocessor and power system.

Applied Filters: