Skip to main content
Renesas Electronics Corporation

Features

  • Data rate up to 56Gbaud per channel for PAM-4 applications
  • Low power consumption of 200mW per channel
  • > 45GHz bandwidth
  • Build-in Bias – T and Internal high-frequency chokes
  • > 10dB dynamic range of gain control
  • Peaking on/off control
  • Low channel cross-talk
  • Small form factor SMD
  • Internally DC-blocked RF inputs and outputs
  • 7.0 × 7.2 mm LGA package

Description

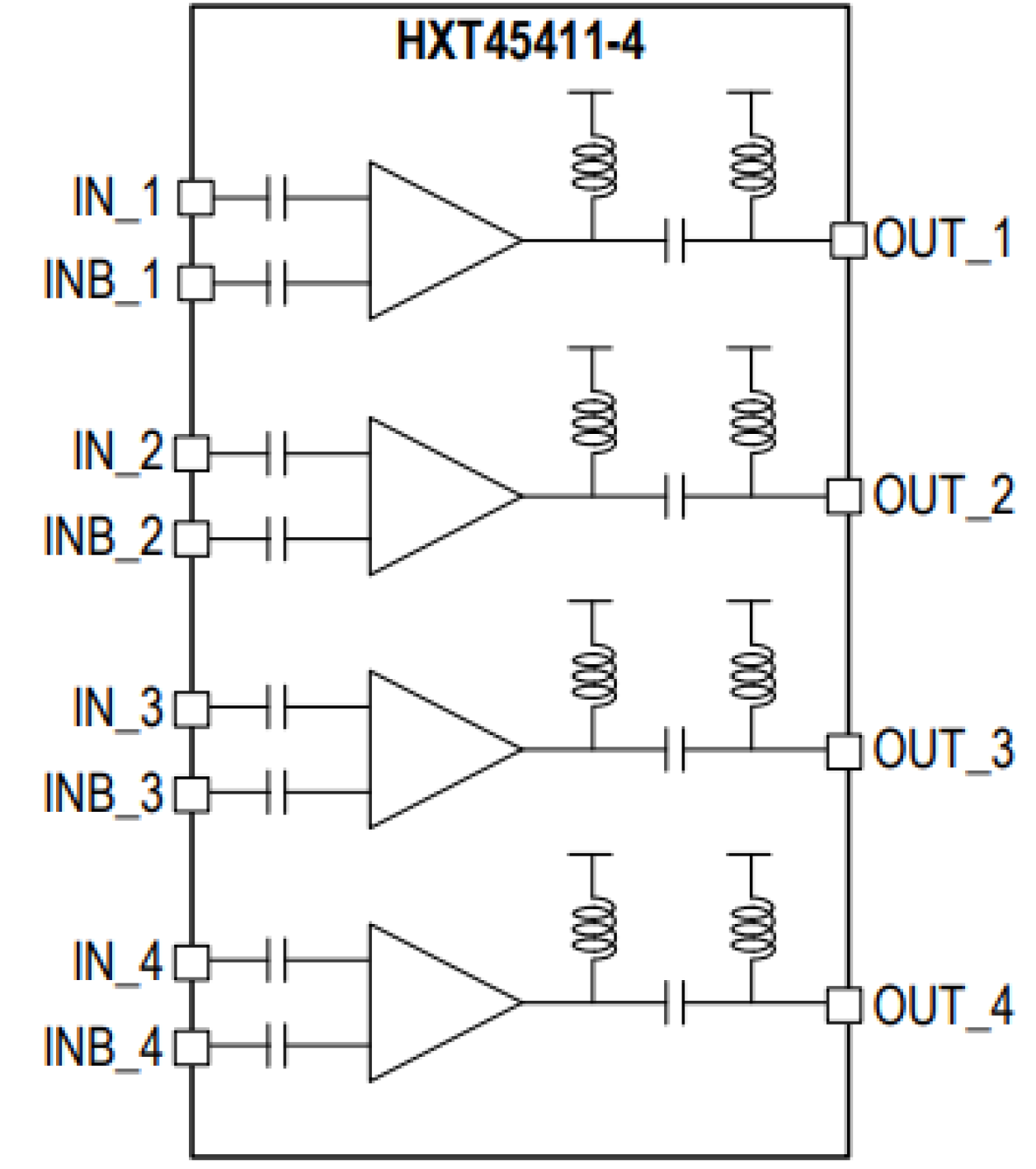
The HXT45411-4 is a quad-channel linear EML driver array, which is a member of IDT’s family of Optical Receiver Transmitter Array (ORTA) products. Combining the HXT45411-4 driver with an EML array or a group of discrete EMLs enables designs for compact linear transmitters for the next generation of 400G/800G optical transceivers.

The HXT45411-4 is a low-power, high-performance, quad-channel linear driver, designed for 4 × 112Gb/s PAM4 EML–based transceivers. The HXT45411-4 is a small form-factor (SFF) packaged surface mount device (SMD) with differential inputs and single-ended outputs consisting of 4 × 56Gbaud broadband amplifier channels, each capable of driving a linear output voltage of 2.0VPP, suitable for 4λ 400G PAM-4 applications. 

Applied Filters: