Features
- Clocking speeds up to 40MHz
- 4 channels
- 12ns tR/tF at 1000pF CLOAD
- 1ns rise and fall time match
- 1.5ns prop delay match
- Low quiescent current - <1mA
- Fast output enable function - 12ns
- Wide output voltage range
- 8V ≥ VL ≥ -5V
- -2V ≤ VH ≤ 16.5V
- 2A peak drive
- 3Ω on resistance
- Input level shifters
- TTL/CMOS input-compatible
- Pb-free (RoHS compliant)
Description
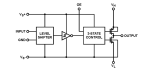
The EL7457 is a High-Speed, non-inverting, quad CMOS driver. It is capable of running at clock rates up to 40MHz and features 2A peak drive capability and a nominal on-resistance of just 3Ω. The EL7457 is ideal for driving highly capacitive loads, such as storage and vertical clocks in CCD applications. It is also well suited to ATE pin driving, level-shifting, and clock-driving applications. The EL7457 is capable of running from single or dual power supplies while using ground referenced inputs. Each output can be switched to either the high (VH) or low (VL) supply pins, depending on the related input pin. The inputs are compatible with both 3V and 5V CMOS and TTL logic. The output enable (OE) pin can be used to put the outputs into a high-impedance state. This is especially useful in CCD applications, where the driver should be disabled during power down. The EL7457 also features very fast rise and fall times which are matched to within 1ns. The propagation delay is also matched between rising and falling edges to within 2ns. The EL7457 is available in 16-pin QSOP, 16-pin SO (0. 150"), and 16-pin QFN packages. All are specified for operation over the full -40°C to +85°C temperature range.
Parameters
| Attributes | Value |
|---|---|
| Drivers (#) | 4 |
| Fall Time | 0.012 |
| IS (mA) | 0.8 |
| Input Signal Range | -VP to VP |
| Input Supply (Max) (VP) | 16 - 16 |
| Input Voltage (Max) (V) | 16 |
| Output Signal Range | -4.5 to 16 |
| Peak Output Current IPK (A) | 2 |
| RDS (ON) (Ohms) | 4.5 |
| Rise Time (μs) | 11 |
| Turn Off Delay (ns) | 11.5 |
| Turn On Delay (ns) | 13 |
| VBIAS (Min) (V) | 4.5 |
| Qualification Level | Standard |
Applications
- CCD drivers
- Digital cameras
- Pin drivers
- Clock/line drivers
- Ultrasound transducer drivers
- Ultrasonic and RF generators
- Level shifting
Applied Filters: