Skip to main content
Renesas Electronics Corporation

Features

  • Two differential CML output pairs
  • IN, nIN pair can accept the following differential input levels:
    LVPECL, LVDS, CML
  • Maximum output frequency: 3.2GHz
  • Output skew: 5ps (typical)
  • Part-to-part skew: 100ps (maximum)
  • Additive phase jitter, RMS: 0.059ps (typical)
  • Propagation delay: 225ps (typical)
  • Operating supply modes:
    Core/Output
    2.5V/1.8V
    2.5V/1.2V
  • -40 °C to 85 °C ambient operating temperature
  • Available in a lead-free (RoHS 6) package

Description

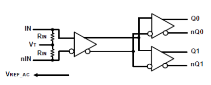
The 8S54011I is a high-speed 1-to-2 differential-to-CML fanout buffer. The 8S54011I is optimized for high speed and very low output skew, making it suitable for use in demanding applications requiring only the highest performing devices. The internally terminated differential input and VREF_AC pin allow other differential signal families such as LVDS, LVPECL, and CML to be easily interfaced to the input with minimal use of external components.

The 8S54011I is packaged in a small 3mm x 3mm 16-pin VFQFN package which makes it ideal for use in space-constrained applications.

Applied Filters: