Skip to main content
NOTICE - The following device(s) are recommended alternatives:

Features

  • Four differential LVHSTL compatible outputs
  • Selectable LVCMOS / LVTTL clock inputs for redundant and multiple frequency fanout applications
  • Maximum output frequency: 266MHz
  • Translates LVCMOS and LVTTL levels to LVHSTL levels
  • Output skew: 35ps (maximum)
  • Part-to-part skew: 150ps (maximum)
  • Propagation delay: 1.9ns (maximum)
  • 3.3V core, 1.8V operating supply
  • 0°C to 70°C ambient operating temperature
  • Industrial temperature information available upon request
  • Available in lead-free RoHS compliant package

Description

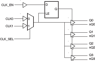
The 8525 is a low skew, high performance 1-to-4 LVCMOS-to-LVHSTL fanout buffer. The 8525 has two selectable clock inputs thataccept LVCMOS or LVTTL input levels and translate them to LVHSTL levels. The clock enable is internally synchronized to eliminate runt pulses on the outputs during asynchronous assertion/deassertion of the clock enable pin. Guaranteed output and part-to-part skew characteristics make the 8525 ideal for those applications demanding well defined performance and repeatability.

Applied Filters: