Skip to main content
Renesas Electronics Corporation

Features

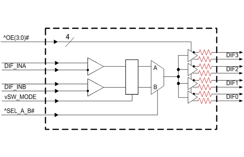
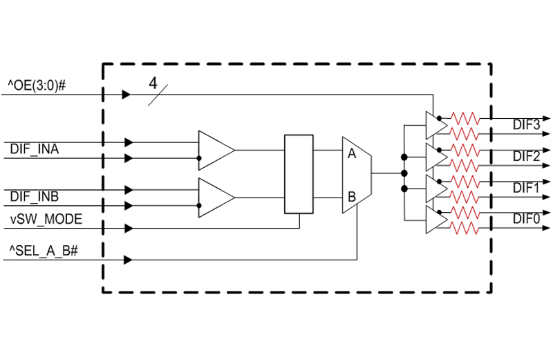
  • LP-HCSL outputs w/integrated terminations; saves 16 resistors compared to standard HCSL outputs
  • 1.8 V operation; 36 mW typical power consumption
  • Selectable asynchronous or glitch-free switching; allows the mux to be selected at power up even if both inputs are not running, then transition to glitch-free switching mode
  • Spread spectrum compatible; supports EMI reduction
  • OE# pins; support DIF power management
  • HCSL differential inputs; can be driven by common clock sources
  • 1 MHz to 200 MHz operating frequency
  • Space-saving 4x4 mm 24-pin VFQFPN; minimal board space

Description

The 9DMV0441 is a member of IDT's SOC-Friendly 1.8 V Very-Low-Power (VLP) PCIe Gen1-2-3 family. It has integrated output terminations providing Zo=100 ohms for direct connection to 100 ohm transmission lines. Each of the 4 outputs has its own dedicated OE# pin for optimal system control and power management. The part provides asynchronous and glitch-free switching modes.

Applied Filters: