Skip to main content
Renesas Electronics Corporation

Features

  • LP-HCSL outputs; save 18 resistors compared to standard HCSL outputs.
  • 47 mW typical power consumption in PLL mode; minimal power consumption
  • Separate power rail for LP-HCSL outputs can optionally be supplied from any voltage between 1.05 and 1.5 V; maximum power savings
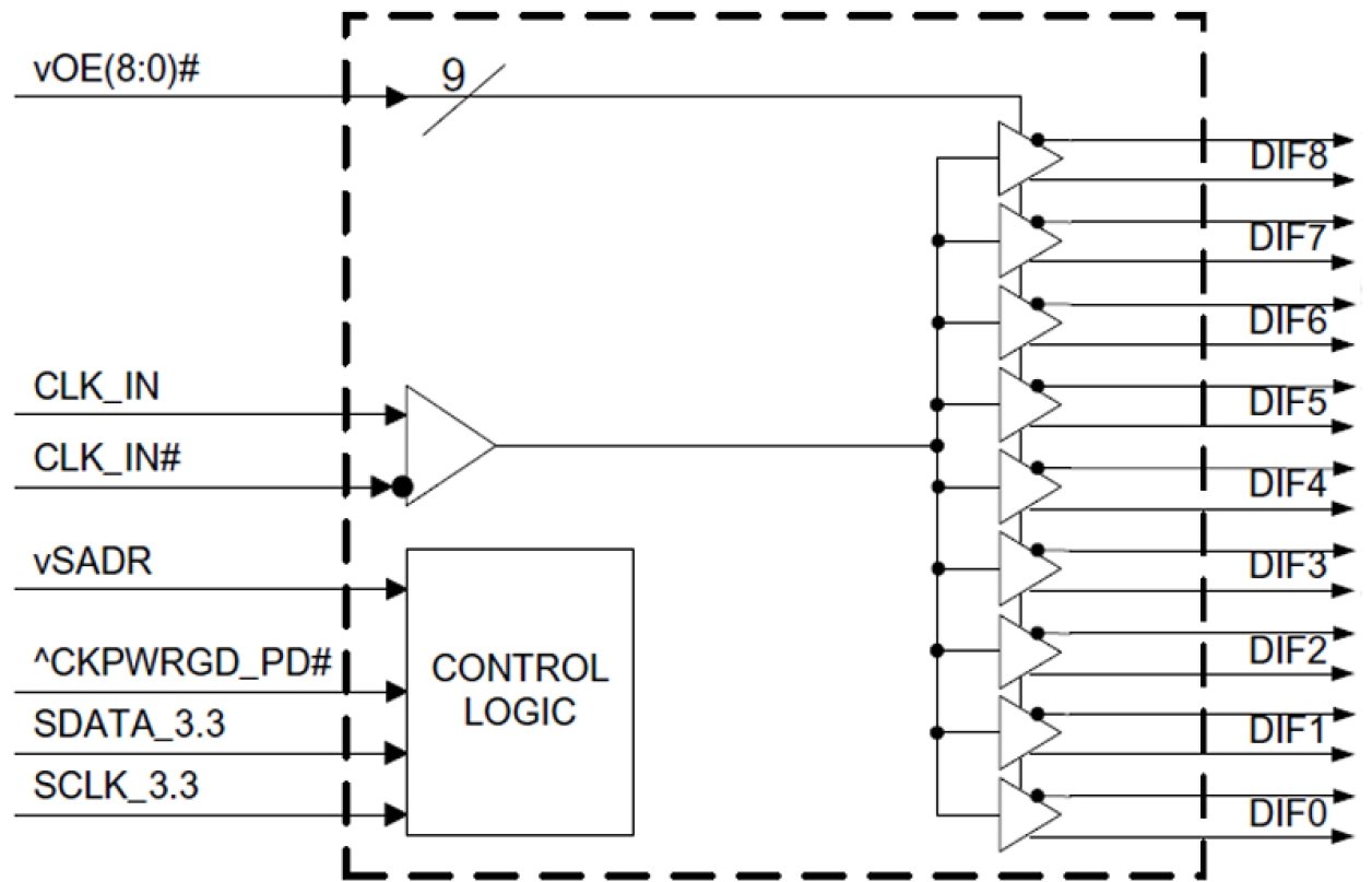
  • OE# pin for each output; support DIF power management
  • HCSL differential input; can be driven by common clock sources
  • Spread spectrum tolerant; allows reduction of EMI
  • Programmable Slew rate for each output; allows tuning for various line lengths
  • Programmable output amplitude; allows tuning for various application environments
  • 1 MHz to 167 MHz operating frequency
  • Device contains default configuration; SMBus interface not required for device operation
  • 3.3 V tolerant SMBus interface  works with legacy controllers
  • Selectable SMBus addresses; multiple devices can easily share an SMBus segment
  • Space-saving 6x6 mm 48-pin VFQFPN; minimal board space

Description

The 9DBU0931 is a member of IDT's 1.5 V Ultra-Low-Power (ULP) PCIe family. The device has 5 output enables for clock management, and 3 selectable SMBus addresses.

Applied Filters: