Skip to main content
Renesas Electronics Corporation

Features

  • Fully integrated PLL
  • Fifteen single ended 3.3V LVCMOS/LVTTL outputs
  • Two LVCMOS/LVTTL clock inputs for redundant clock applications
  • CLK0 and CLK1 accepts the following input levels: LVCMOS/LVTTL
  • Output frequency range: 8.33MHz to 125MHz
  • VCO range: 200MHz to 500MHz
  • External feedback for "zero delay" clock regeneration
  • Cycle-to-cycle jitter: ±100ps (typical)
  • Output skew: 350ps (maximum)
  • 3.3V operating supply
  • -40°C to 85°C ambient operating temperature
  • Available in lead-free RoHS-compliant package

Description

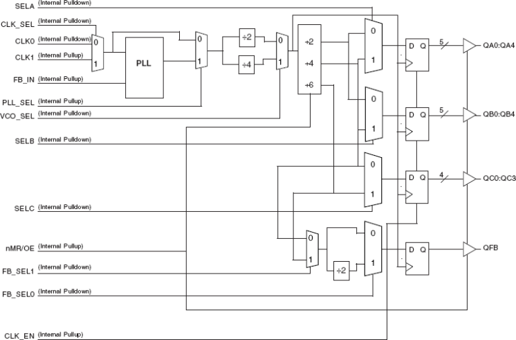
The 87974I is a low skew, low jitter 1-to-15 LVCMOS/ LVTTL Clock Generator/Zero Delay Buffer. The device has a fully integrated PLL and three banks whose divider ratios can be independently controlled, providing output frequency relationships of 1:1, 2:1, 3:1, 3:2, 3:2:1. In addition, the external feedback connection provides for a wide selection of output-to-input frequency ratios. The CLK0 and CLK1 pins allow for redundant clocking on the input and dynamically switching the PLL between two clock sources. Guaranteed low jitter and output skew characteristics make the 87974I ideal for those applications demanding well defined performance and repeatability.

Applied Filters: