Skip to main content
Renesas Electronics Corporation

Features

  • One differential input LVPECL reference clock
  • Differential pair can accept the following differential input levels: LVPECL, LVDS, CML, SSTL
  • Integrated input termination resistors
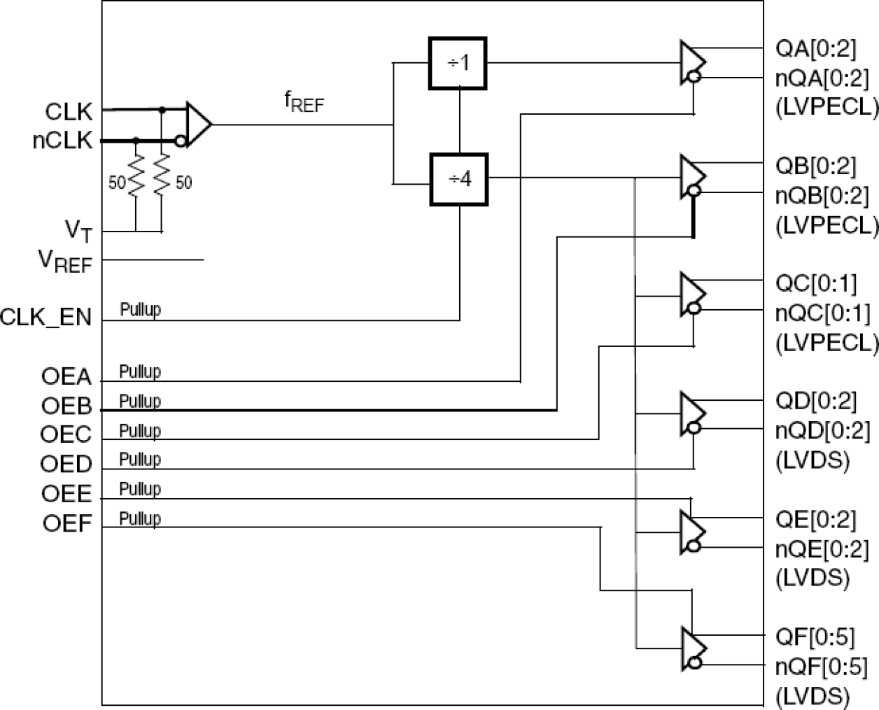
  • One bank of three LVPECL outputs (÷1 frequency-divided)
  • One bank of three LVPECL outputs (÷4 frequency-divided)
  • One bank of two LVPECL outputs (÷4 frequency-divided)
  • Two banks of three LVDS outputs (÷4 frequency-divided)
  • One bank of six LVDS outputs (÷4 frequency-divided)
  • Total of twenty differential clock outputs
  • Maximum input frequency: 650MHz
  • Maximum output frequency: 650MHz (÷1 outputs)
  • Maximum output frequency: 162.5MHz (÷4 outputs)
  • LVCMOS interface levels for all control inputs
  • Output skew: 70ps (maximum)
  • Part-to-part skew: 250ps (maximum)
  • Full 2.5V supply voltage
  • Available in lead-free (RoHS 6) package
  • -40°C to 85°C ambient operating temperature

Description

The 874328I-01 is a high-performance differential ÷1 and ÷4 clock divider and fanout buffer. The device is designed for the frequency-division and signal fanout of high-frequency, low phase-noise clock signals. The differential input signal is frequency divided by ÷1 and ÷4. Three LVPECL and three LVDS output banks are provided with a total of twenty differential outputs. The 874328I-01 is characterized to operate from a 2.5V power supply. Guaranteed output-to-output and part-to-part skew characteristics make the 874328I-01 ideal for those clock distribution applications demanding well-defined performance and repeatability.

Applied Filters: