Skip to main content

Features

  • Six 3.3V or 2.5V LVDS outputs
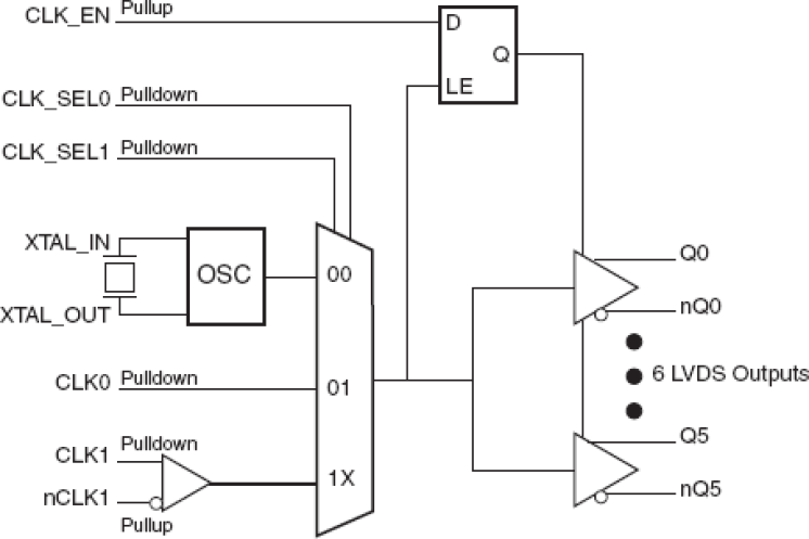
  • Selectable crystal oscillator, differential CLK1, nCLK1 pair or LVCMOS/LVTTL clock input
  • CLK1, nCLK1 pair can accept the following differential input levels: LVPECL, LVDS, LVHSTL, HCSL
  • Maximum output frequency: 266MHz
  • Crystal frequency range: 14MHz - 40MHz
  • Output skew: 55ps (maximum)
  • Part-to-part skew: 600ps (maximum)
  • Propagation delay: 2.45ns (maximum)
  • Full 3.3V or 2.5V supply modes
  • 0°C to 70°C ambient operating temperature
  • Available in lead-free (RoHS 6) package

Description

The 8546-01 is a low skew, high performance 1-to-6 Crystal Oscillator-to-LVDS Fanout Buffer. The 8546-01 has selectable crystal, single ended or differential clock inputs. The single-ended clock input accepts LVCMOS or LVTTL input levels and translate them to LVDS levels. The CLK1, nCLK1 pair can accept most standard differential input levels. The output enable is internally synchronized to eliminate runt pulses on the outputs during asynchronous assertion/ deassertion of the clock enable pin. Guaranteed output and part-to-part skew characteristics make the 8546-01 ideal for those applications demanding well defined performance and repeatability.

Applied Filters: