Skip to main content
Renesas Electronics Corporation
Alternative(s) Available

Features

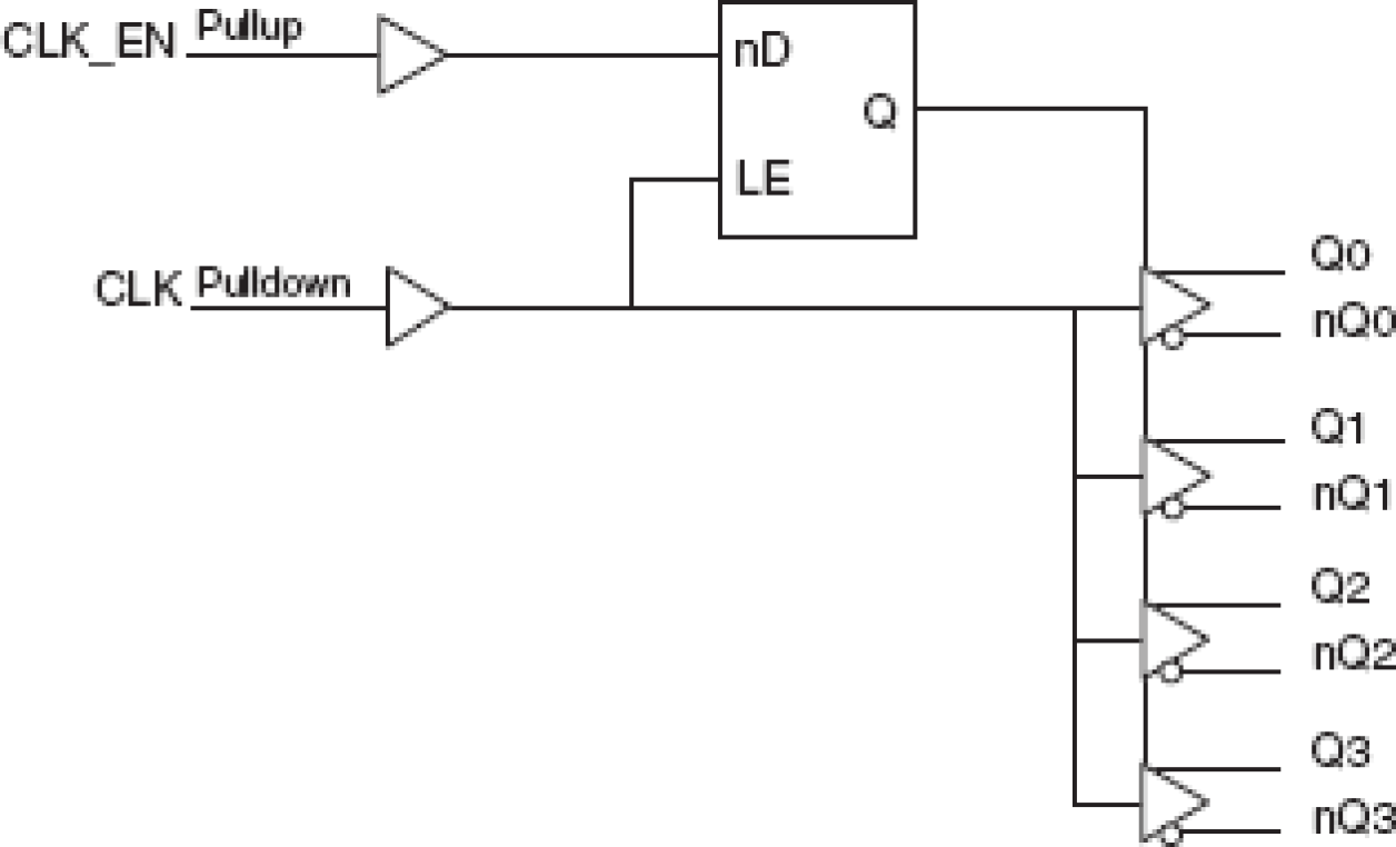
  • Four differential LVDS output pairs
  • Two LVCMOS/LVTTL clock inputs to support redundant or selectable frequency fanout applications
  • Maximum output frequency: 650MHz
  • Translates LVCMOS/LVTTL input signals to LVDS levels
  • Output skew: 40ps (maximum)
  • Part-to-part skew: 500ps (maximum)
  • Propagation delay: 3.6ns (maximum)
  • Full 3.3Vsupply mode
  • 0°C to 70°C ambient operating temperature
  • Industrial temperature information available upon request
  • Available in lead-free (RoHS 6) package

Description

The 8545-01 is a low skew, high performance 1-to-4 LVCMOS/LVTTL-to-LVDS Clock Fanout Buffer. Utilizing Low Voltage Differential Signaling (LVDS) the 8545-01 provides a low power, low noise, solution for distributing clock signals over controlled impedances of 100?. The 8545-01 accepts a LVCMOS/LVTTL input level and translates it to 3.3V LVDS output levels. Guaranteed output and part-to-part skew characteristics make the 8545-01 ideal for those applications demanding well defined performance and repeatability.

Applied Filters: