Skip to main content
Renesas Electronics Corporation

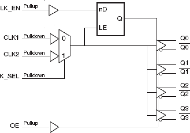
Features

  • Four differential LVDS output pairs
  • Two LVCMOS/LVTTL clock inputs to support redundant or selectable frequency fanout applications
  • Maximum output frequency: 650MHz
  • Translates LVCMOS/LVTTL input signals to LVDS levels
  • Output skew: 40ps (maximum)
  • Part-to-part skew: 500ps (maximum)
  • Propagation delay: 3.6ns (maximum)
  • Additive phase jitter, RMS: 0.13ps (typical)
  • Full 3.3Vsupply mode
  • 0°C to 70°C ambient operating temperature
  • Available in lead-free (RoHS 6) package

Description

The 8545 is a low skew, high performance 1-to-4 LVCMOS/LVTTL-to-LVDS Clock Fanout Buffer and a member of the family of High Performance Clock Solutions from IDT. Utilizing Low Voltage Differential Signaling (LVDS) the 8545 provides a low power, low noise, solution for distributing clock signals over controlled impedances of 100Ω. The 8545 accepts a LVCMOS/LVTTL input level and translates it to 3.3V LVDS output levels. Guaranteed output and part-to-part skew characteristics make the 8545 ideal for those applications demanding well defined performance and repeatability.

Applied Filters: