Skip to main content
Renesas Electronics Corporation

Features

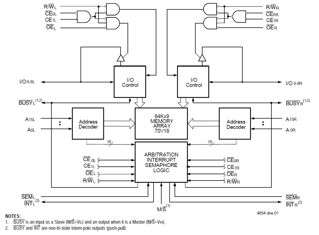
  • True Dual-Ported memory cells which allow simultaneous reads of the same memory location
  • 70V18 easily expands data bus width to 18 bits or more
  • Dual chip enables allow for depth expansion without external logic
  • Busy and Interrupt Flag
  • On-chip port arbitration logic
  • Full on-chip hardware support of semaphore signaling between ports
  • Fully asynchronous operation from either port
  • TTL-compatible, single 3.3V (±0.3V) power supply
  • Available in 100-pin TQFP packages
  • Industrial temperature range (-40C to +85C) is available

Description

The 70V18 is a high-speed 64K x 9 Dual-Port Static RAM designed to be used as a stand-alone 576K-bit Dual-Port SRAM or as a combination MASTER/SLAVE Dual-Port SRAM for 18-bit-or-more word systems which results in full speed, error-free operation without the need for additional discrete logic. An automatic power down feature controlled by the chip enables (either CE0 or CE1) permit the on-chip circuitry of each port to enter a very low standby power mode.

Applied Filters: