Skip to main content

Zero Bus Turnaround (ZBT) SRAM

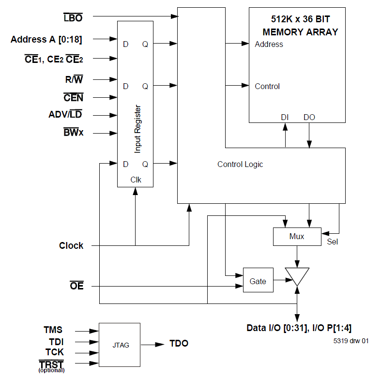
Renesas zero bus turnaround (ZBT) SRAMs are designed to eliminate dead bus cycles, ensuring seamless transitions between read-to-write and write-to-read operations. This advanced design enables fast, efficient data handling, making ZBT SRAMs an ideal choice for applications requiring consistent, reliable performance under demanding conditions.

Support

Browse Articles

Knowledge Base

Browse our knowledge base for helpful articles, FAQs, and other useful resources.
Support Communities

Support Communities

Get quick technical support online from Renesas Engineering Community technical staff.