Skip to main content

Features

  • Wide input voltage range: 3V to 40V
  • Synchronous operation for high efficiency
  • No compensation required
  • Integrated high-side and low-side NMOS devices
  • Selectable PFM or forced PWM mode at light loads
  • Internal fixed frequency (500kHz) or adjustable switching frequency (300kHz to 2MHz)
  • Continuous output current up to 800mA
  • Internal or external soft-start
  • Minimal external components required
  • Power-good and enable functions available

Description

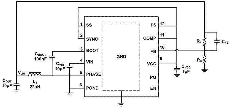
The ISL85418 is a 800mA synchronous buck regulator with an input range of 3V to 40V. It provides an easy-to-use, high efficiency low BOM count solution for a variety of applications. The ISL85418 integrates both high-side and low-side NMOS FETs and features a PFM mode for improved efficiency at light loads. This feature can be disabled if forced PWM mode is needed. The ISL85418 switches at a default frequency of 500kHz; however, it can also be programmed using an external resistor from 300kHz to 2MHz. The ISL85418 has the ability to use internal or external compensation. By integrating both NMOS devices and providing internal configuration options, minimal external components are required, which reduces the BOM count and design complexity. With a wide VIN range and reduced BOM, the ISL85418 provides an easy to implement design solution for a variety of applications while giving superior performance. The ISL85418 provides a very robust design for high-voltage industrial applications and an efficient solution for battery powered applications. The ISL85418 is available in a small Pb-free 4mmx3mm DFN plastic package with an operation temperature range of -40°C to +125°C.

Parameters

Attributes Value
Topology [Rail 1] Buck
Outputs (#) 1
Input Voltage (Min) [Rail 1] (V) 3
Input Voltage (Max) [Rail 1] (V) 40 - 40
Output Voltage (Min) [Rail 1] (V) 0.6
Output Voltage (Max) [Rail 1] (V) 34
Output Current (Max) [Rail 1] (A) 0.8
Switching Frequency Range (Typical) (kHz) 300 - 2000
Control Type Current Mode
Peak Efficiency (%) 94
IQ [Rail 1] (µA) 80
SYNCH Capability Yes
Qualification Level Standard
Temp. Range (°C) -40 to +125°C
Simulation Model Available iSim

Package Options

Pkg. Type Pkg. Dimensions (mm) Lead Count (#) Pitch (mm)
DFN 4.0 x 3.0 x 0.90 12 0.5

Application Block Diagrams

Industrial Ethernet Multi-Sensor Module Block Diagram
Industrial Ethernet Multi-Sensor Module
Industrial Ethernet Multi-Sensor Module with high integration, dedicated calculation power, and rich interface.
Versatile Drive Circuit for Heating & Inductive Applications Block Diagram
Versatile Drive Circuit for Heating & Inductive Applications
Versatile drive circuit for precise heating, motor control, and power management with robust protection.

Additional Applications

  • Industrial control
  • Medical devices
  • Portable instrumentation
  • Distributed power supplies
  • Cloud infrastructure

Applied Filters: