Skip to main content
Renesas Electronics Corporation

Features

  • Integrates RapidCharge™ Interface IC and Synchronous Rectifier Controller in a Single IC
  • XM-Comm - Proprietary Secondary-to-Primary Digital Communication via Power Transformer:
    • No Need for Optocoupler
    • Reduces BOM and Significantly Simplifies Design
    • Handles All Rapid Charging Information
  • Supports Multiple RapidCharge Protocols
    • Qualcomm Quick Charge 3.0
    • Qualcomm Quick Charge 2.0
  • Synchronous Rectifier Controller
    • High-Voltage Drain Sensing up to 100V with No Additional External Clamping Circuits Required
    • Lossless MOSFET VDS Sensing for SR Timing Control with Digital Adaptive Turn-Off Control
    • Optimized 5V MOSFET Gate Driver
  • Double-layer cable protection:
    • Secondary side (iW662): Proprietary D+/D- Overvoltage Protection (OVP) Addresses VBUS D+/D Soft Shorts
    • Primary side (iW1790, iW1796, iW1798): Advanced Cable Fault Protection Reduces Average Output Power at Fault
  • Intelligent Low Power Mode Enables <20mW No-load Power Consumption
  • Dual Over-Temperature Protection (OTP)
    • On-chip Temperature Sensing Circuit and External NTC

Description

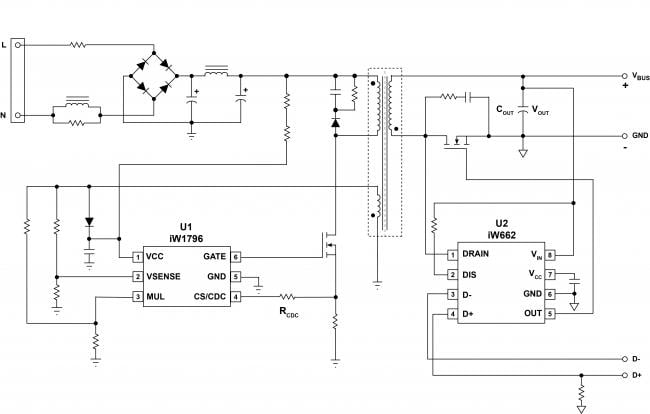
The iW662 integrated secondary-side synchronous rectifier controller and rapid charge interface IC uses Renesas' XM-Comm technology to communicate back to the primary-side controller, the (iW1790, iW1796, iW1798) eliminating the need for optocouplers to create solutions for rapid charging protocols such as Qualcomm® Quick Charge™ 3.0 and 2.0 technology.

The device also integrates a synchronous rectifier controller that uses adaptive off-time control to remove the need for a parallel Schottky diode to reduce power loss during transitions. The total solution reduces overall BOM cost and improves efficiency in reduced form factor travel adapters.

The iW1790+iW662 chipset uses Renesas'advanced fault control technology to help address soft shorts in cables and connectors.

Qualcomm Quick Charge is a product of Qualcomm Technologies, Inc.

Parameters

AttributesValue
FunctionIntegrated RapidCharge™ Protocol IC, Synchronous Rectifier Controller
Supported ProtocolsQC3.0

Package Options

Pkg. TypePkg. Dimensions (mm)Lead Count (#)Pitch (mm)
SOIC-80.197 x 0.244 x 0.06981.27

Applications

  • RapidCharge AC/DC Adapters for Smartphones, Tablets and Other Portable Devices

Applied Filters: