Features
- AccuSwitch™ - Integrated 800V BJT
- 5W output power range capable
- Easily meets Energy Star® AC/DC power supply efficiency specs (Rev. 2.0)
- Less than 30mW no-load power consumption
- Ultra-low 1.7µA start-up current
- PrimAccurate™ - Primary-side control, no optocoupler needed
- Quasi-resonant control for optimal efficiency
- EZ-EMI® design to easily meet global EMI specifications
- 64kHz PWM switching frequency
- Fully protected from fault conditions
- Output overvoltage and overcurrent
- Input undervoltage protection
- Sense-resistor short circuit protection
- Over-temperature protection
Description
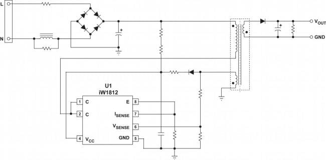
The iW1812 is a high-performance AC/DC converter with an integrated 800V power bipolar junction transistor (BJT). Capable of 5W output power, the iW1812 operates in a quasi-resonant mode to optimize efficiency and it also incorporates a low power mode that enables less than 30mW of power consumption at no load, meeting global energy efficiency standards and making it ideal for applications such as energy standard compliant home appliances.
The iW1812 also incorporates Renesas' PrimAccurate™ primary-side digital control algorithms that enable a fully isolated solution without the need for an optocoupler, reducing cost and solution size while greatly improving reliability. Additional functionality includes full protection from over-temperature, overvoltage, and overcurrent conditions as well as EZ-EMI™ design techniques to allow for a solution that easily meets global EMI specifications.
Parameters
| Attributes | Value |
|---|---|
| Topology Characteristic | Flyback |
| Control Mode | Primary-Side Regulation Peak Current Mode DCM |
| UVLO Rising (V) | 11 |
| UVLO Falling (V) | 4 |
| VBIAS (Max) (V) | 16 |
| PWMs (#) | 1 |
| Output Power Max (W) | 5 |
| Switching Frequency (KHz) | 64 - 64 |
| No Load Power (mW) | 30 |
| Controller / Integrated | Integrated |
| Advanced Features | AccuSwitch, EZ-EMI, PrimAccurate |
| Temp. Range (°C) | -40 to +125°C |
| Qualification Level | Standard |
Package Options
| Pkg. Type | Lead Count (#) | Pitch (mm) |
|---|---|---|
| SOIC-7 | 7 | 1.27 |
Applications
- Smart meters
- Motor control
- Industrial power supplies
- Home automation and appliances
Applied Filters: