Skip to main content
Renesas Electronics Corporation

Features

  • Low additive phase jitter RMS: 50fs
  • Extremely low skew outputs (50ps)
  • Low-cost clock buffer
  • Packaged in an 8-SOIC and 8-DFN, Pb-free
  • ICLK is PDT and may be driven before VDD is applied
  • Direct-coupled signal path suitable for 1pps clocks
  • Input/Output clock frequency up to 200MHz
  • Non-inverting output clock
  • Ideal for networking clocks
  • Operating voltages: 1.8V to 3.3V
  • Advanced, low-power CMOS process
  • Extended temperature range: -40 °C to +105 °C

Description

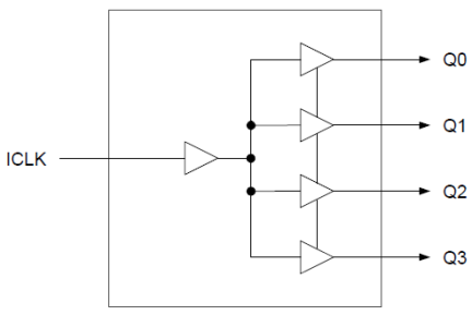
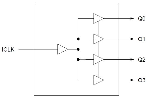
The 524S is a low skew, single input to four output, LVCMOS clock buffer that offers a best-in-class additive phase jitter of sub 50fs.

Parameters

AttributesValue
Temp. Range (°C)-40 to 85°C
Product CategoryClock Buffers & Drivers

Package Options

Pkg. TypePkg. Dimensions (mm)Lead Count (#)Pitch (mm)
COL2.0 x 2.0 x 0.580.5
SOIC4.9 x 3.9 x 1.581.27

Applied Filters: