Features
- Six independent timing channels
- Jitter output below 150fs RMS (typical)
- Digital PLLs (DPLLs) lock to any frequency from 1kHz to 1GHz
- DPLLs/Digitally Controlled Oscillators (DCOs) generate any frequency from 0.5Hz to 1GHz
- DCO outputs can be aligned in phase and frequency with the outputs of any DPLL or DCO
- IEEE 1588 Support:
- Precise (1ps) resolution for phase measurement and control
- All outputs/inputs can be configured to decode/encode PWM clock signals
- PWM can be used to transmit and receive embedded frame and sync pulses; as well as Time of Day (ToD) and other data
- Reference monitors qualify/disqualify references depending on LOS, activity, frequency monitoring, and/or LOS input pins
- Automatic reference selection state machines select the active reference for each DPLL based on the reference monitors, priority tables, revertive/non-revertive and other programmable settings
- Device requires a crystal oscillator or fundamental-mode crystal: 25MHz to 54MHz
- The device can configure itself automatically after reset via:
- Internal Customer-programmable One-Time Programmable memory
- Standard external I²C EPROM via separate I²C Master Port
Description
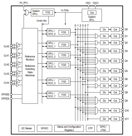
The RC38612 RAN synchronizer regenerates and distributes ultra-low jitter; precision timing signals that are locked to IEEE 1588 and Synchronous Ethernet (SyncE) reference sources elsewhere in a system. The device can be used to precisely synchronize IEEE 1588 Time Stamp Units (TSUs) and SyncE ports on wireless baseband, DU, CU, RU, fronthaul or backhaul networks. Digital PLLs (DPLLs) support hitless reference switching between references from redundant timing sources. The device can be used to actively measure and compensate for clock propagation delays across backplanes and across circuit boards to ensure the distribution of accurate time and phase with minimal time error between IEEE 1588 TSUs in a system. The device supports multiple independent timing channels for IEEE 1588 clock synthesis, SyncE clock generation, jitter attenuation, and radio clock generation including SYSREF generation for converters. Input-to-input, input-to-output and output-to-output phase skew can all be precisely managed. The device outputs ultra-low jitter clocks that can directly synchronize SerDes running at up to 28Gbps; as well as CPRI/OBSAI, SONET/SDH ADC/DAC, and IEEE 1588 TSUs.
To see other devices in this product family, visit the ClockMatrix™ Timing Solutions page.
Parameters
| Attributes | Value |
|---|---|
| Diff. Outputs | 12 |
| Output Freq Range (MHz) | 5.0E-7 - 1000 |
| Diff. Inputs | 5 |
| Supply Voltage (V) | 3.3 - 3.3, 2.5 - 2.5, 1.8 - 1.8 |
| Output Type | HSTL, LVCMOS, LVDS, LVHSTL, LVPECL, LVTTL |
| Battery Backup | No |
| Battery Seal | No |
| CPU Supervisory Function POR | No |
| Crystal Frequency Trimming | No |
| Frequency Out Pin | No |
| Inputs (#) | 10 |
| Input Freq (MHz) | 0.001 - 1000 |
| DPLL Channels (#) | 6 |
| JESD204B/C Compliant | Yes |
| Adjustable Phase | Yes |
| Noise Floor (dBc/Hz) | -158 |
| Phase Noise Supports GSM | No |
| Synthesis Mode | Fractional, Integer |
| Input Ref. Divider Resolution (bits) | 4 |
| Feedback Divider Resolution (bits) | 48 |
| Output Divider Resolution (bits) | 32 |
| Input Redundancy | Input Monitor, Digital holdover, Hitless switch, Phase-slope limiting |
| Channels (#) | 6 |
| 105°C Max. Case Temp. | 0 |
| Function | Multi-channel DPLL / DCO |
| Input Type | HCSL, LVDS, LVHSTL, LVPECL, SSTL |
| Output Banks (#) | 6 |
| Core Voltage (V) | 2.5V, 3.3V |
| Output Voltage (V) | 1.2V, 1.5V, 1.8V, 2.5V, 3.3V |
Package Options
| Pkg. Type | Pkg. Dimensions (mm) | Lead Count (#) | Pitch (mm) |
|---|---|---|---|
| VFQFPN | 10.0 x 10.0 x 1.0 | 72 | 0.5 |
Application Block Diagrams
| eCPRI Mass MIMO for RRU eCPRI MIMO RRU with low phase noise, deterministic latency, and high timing precision for 5G networks. |
Applied Filters:
Filters
Software & Tools
Sample Code
Simulation Models
Introducing the IDT ClockMatrix™ family of devices - high-performance, precision timing solutions designed to simplify clock designs for applications with up to 100 Gbps interface speeds.
They can be used anywhere in a system to perform critical timing functions, such as clock generation, frequency translation, jitter attenuation and phase alignment. A range of devices in the family support BBU, OTN, SyncE, synthesizer and jitter attenuator applications with several density options for each.
For more information, visit the ClockMatrix™ Timing Solutions page.
News & Blog Posts
Blog Post Feb 1, 2022 |
Blog Post Apr 27, 2021 |