Skip to main content
Renesas Electronics Corporation

Features

  • NTSC (M, 4.43) and PAL (B, D, G, H, I, M, N, N combination), PAL (60), SECAM support with automatic format detection
  • Software selectable analog inputs allow any of the following combinations, e.g. 4 CVBS or (3 CVBS and 1 Y/C).
  • Built-in analog anti-alias filter
  • Two 10-bit ADCs and analog clamping circuit
  • Fully programmable static gain or automatic gain control for the Y channel
  • Programmable white peak control for the Y channel
  • 4-H adaptive comb filter Y/C separation
  • PAL delay line for color phase error correction
  • Image enhancement with peaking and CTI.
  • Digital sub-carrier PLL for accurate color decoding
  • Digital Horizontal PLL for synchronization processing and pixel sampling
  • Advanced synchronization processing and sync detection for handling non-standard and weak signal
  • Programmable hue, brightness, saturation, contrast, and sharpness
  • Automatic color control and color killer
  • Chroma IF compensation
  • ITU-R 601 or ITU-R 656 compatible YCbCr(4:2:2) output format
  • VBI slicer supporting industrial standard data services
  • VBI data pass through, raw ADC data output
  • High quality horizontal filtered scaling with arbitrary scale down ratio
  • Phase accuracy better than 1/32 pixel
  • Programmable output cropping
  • Two wire MPU serial bus interface
  • Support Real Time Control interface
  • Power save and Power down mode
  • Typical power consumption <100mW
  • Single 27MHz crystal for all standards
  • Supports 24.54MHz and 29.5MHz crystal for high resolution square pixel format decoding
  • 3.3V tolerant I/O
  • 1.8V/3.3 V power supply
  • 44 pin LQFP, 48 pin QFN package

Description

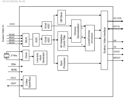
The TW9910 is a low power NTSC/PAL/SECAM video decoder chip that is designed for portable applications. It consumes less than 100mW in typical composite input application. The available power down mode further reduces the power consumption. It uses the 1. 8V for both analog and digital supply voltage and 3. 3V for I/O power. A single 27MHz crystal is all that needed to decode all analog video standards. The video decoder decodes the base-band analog CVBS or S-video signals into digital 8 or 16-bit 4:2:2 YCbCr for output. It consists of analog front-end with input source selection, variable gain amplifier and analog-to-digital converters, Y/C separation circuit, multi-standard color decoder (PAL BGHI, PAL M, PAL N, combination PAL N, NTSC M, NTSC 4. 43 and SECAM) and synchronization circuitry. The Y/C separation is done with high quality adaptive 4H comb filter for reduced cross color and cross luminance. The advanced synchronization processing circuitry can produce stable pictures for non-standard signal as well as weak signal. A video scaler is provided to arbitrarily scale down the output video in a packed format. The output of the decoder is line-locked and formatted to the ITU-R 656 output with embedded sync. The TW9910 also includes circuits to detect and process vertical blanking interval (VBI) signal. It slices and process VBI data for output through video bus. Some information can also be alternatively retrieved through host interface. A 2-wire serial host interface is used to simplify system integration. All the functions can be controlled through this interface.

Parameters

AttributesValue
Channels per device (#)1
Inputs (#)4
Output FormatD1
Comb Filter2D
InterfaceBT.656, BT601
Video DACNo
Qualification LevelStandard

Package Options

Pkg. TypePkg. Dimensions (mm)Lead Count (#)Pitch (mm)
QFN7.0 x 7.0 x 0.65480.5

Applications

  • Mobile Phone
  • Portable Media Player
  • Portable DVD player
  • Picture in Picture (PIP) decoder
  • DVD Recorder

Applied Filters: