Features
- Four 0.7V differential output pairs
- One differential clock input pair
- CLK, nCLK pair can accept the following differential input levels: LVPECL, LVDS, LVHSTL, HCSL
- Crystal oscillator interface designed for 25MHz, 18pF parallel resonant crystal
- RMS phase jitter @ 100MHz, using a 25MHz crystal (12kHz - 20MHz): 0.608ps (typical)
- High frequency jitter attenuator mode has high PLL bandwidth which allows for better input tracking
- Supports PCI Express® Spread-Spectrum Clocking
- PCI Express® Gen 1, 2 and 3 jitter compliant
- 3.3V operating supply voltage
- 0°C to 70°C ambient operating temperature
- Available in lead-free (RoHS 6) package
Description
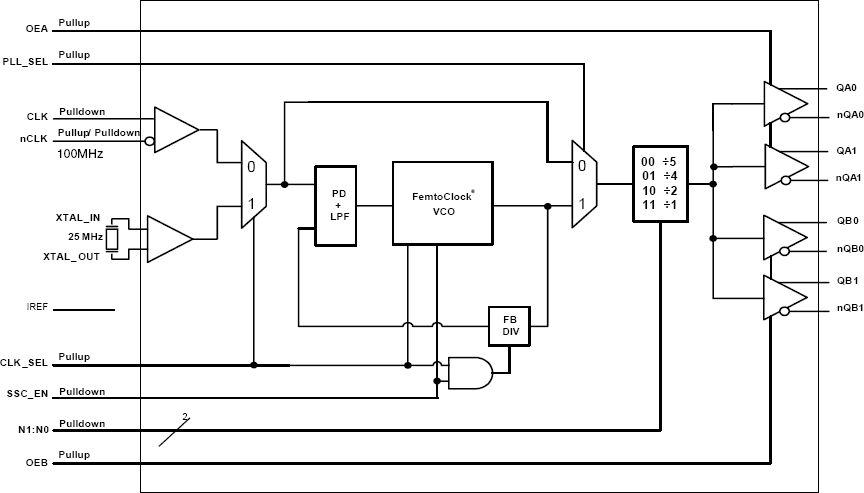
IDT's PLL-based clock generators offer sub-picosecond jitter, low-skew clock outputs, and edge rates that meet the ever-growing demands of today's networking solutions. The 871S1022 is a PLL-based clock generator specifically designed for PCI Express® Clock Generation applications. The device generates 100MHz, 125MHz, 250MHz or 500MHz from either a 25MHz fundamental mode crystal or a 100MHz recovered clock. The 871S1022 has two modes of operation: (1) high frequency jitter attenuator and (2) high performance clock synthesizer mode. When in jitter attenuator mode, the 871S1022 is able to both suppress high frequency noise components and function as a frequency translator. Designed to receive a jittery and noisy clock from an external source, the 871S1022 uses FemtoClock® technology to clean up the incoming clock and translate the frequency to one of the four common PCI Express® frequencies. When in synthesizer mode, the device is able to generate high performance SSC and non-SSC clocks from a low cost external, 25MHz, fundamental mode crystal. The 871S1022 uses FemtoClock® technology to generate low noise clock outputs capable of providing the seed frequencies for the common PCI Express® link rates.
Applied Filters:
Filters
Software & Tools
Sample Code
Simulation Models
This is the first video in our PCIe series. In this video, we define PCIe architectures, focusing on common and separate clock architectures. Watch the rest of the video series below where Ron will cover the impact of different timing architectures.
In this episode, Ron Wade from IDT (acquired by Renesas) explains PCIe common clocking and its impact on timing solutions. Learn about using a single clock source, fan-out buffers, and the considerations for spread spectrum and non-spread spectrum clocking in PCIe systems.
In this video, we explore PCIe with separate reference clocks and the effects of clock selection. Learn how separate reference clocks work and their impact on system performance and stability.
This video provides a high-level overview of Separate Reference Clock with Independent Spread (SRIS) architectures for PCI Express systems, additional performance requirements that this clocking architecture imposes on the reference clocks, and some system implications encountered trying to implement the architecture.