Skip to main content

Synchronous Burst SRAMs

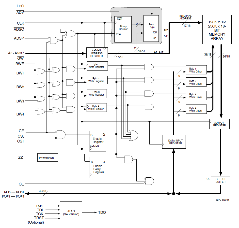
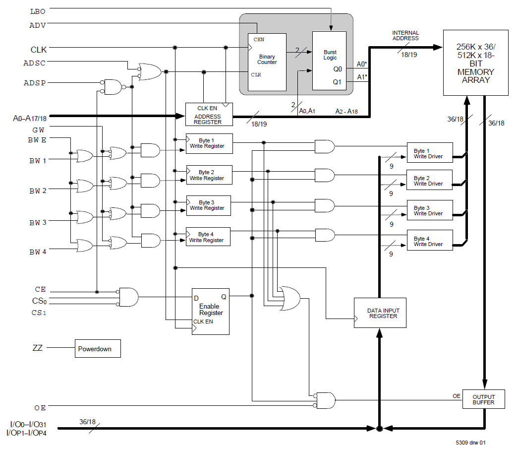
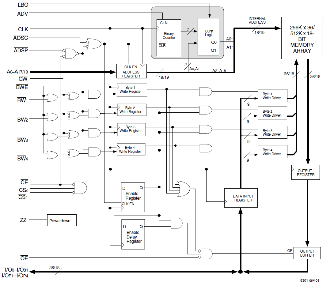
Renesas synchronous burst SRAMs leverage advanced features to deliver superior speed and reliability for demanding system design requirements. Burst mode streamlines data access, while an internal burst address counter simplifies operations by accepting the initial address from the processor to start the access sequence. Pipelined output data ensures the first cycle of output is ready on the next rising clock edge, minimizing delays. This combination of features offers unmatched performance, making these SRAMs ideal for cutting-edge designs.

Support

Browse Articles

Knowledge Base

Browse our knowledge base for helpful articles, FAQs, and other useful resources.
Support Communities

Support Communities

Get quick technical support online from Renesas Engineering Community technical staff.