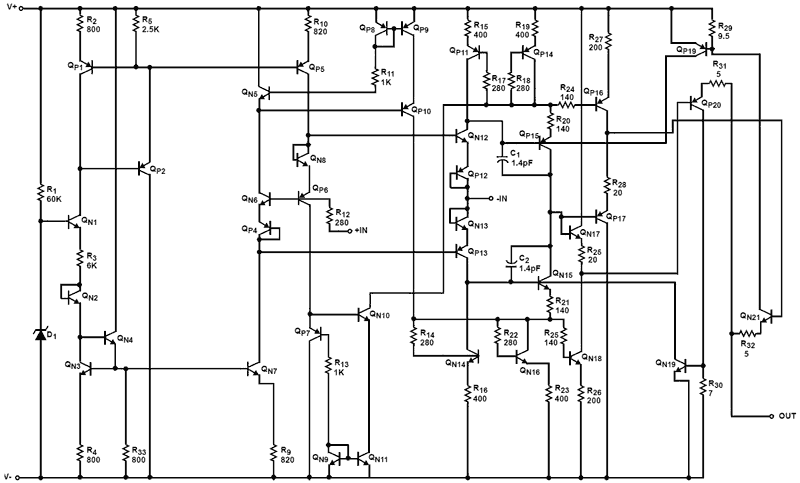
Renesas operational amplifiers (op amps) are among the industry's highest-performance, highest-value amplifier ICs on the market. These devices utilize the CMOS process and are suitable for low voltage, low power consumption and high input impedance. Our broad portfolio of amplifiers provides for a wide range of precision instrumentation, medical, communication, and industrial process control applications where innovation, reliability and dependability are central to the analog designs.
Renesas' op amp portfolio includes operational amplifiers that cover everything from general-purpose solutions to targeted applications like automotive. Our op amps include features like high-slew rate, high output current and full-swing output.
Renesas is working to expand its collection of op amps with small packages, which can reduce design size and distance to the sensor. We are also widening the range of operating temperatures (-40 °C to +125 °C) and are developing op amp products for automotive applications that conform to AEC-Q100 standards.
