Skip to main content

Features

  • 2.7 V to 5.25 V input voltage range
  • 5 programmable step-down converters with integrated FETs
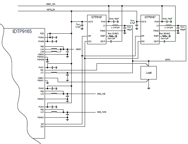
  • Supports P9167 distributed power units (DPU)
  • 11 programmable general purpose LDOs
  • Low-power real-time clock module
  • 10-bit ADC and eight programmable GPIOs
  • Host interface and system management functions
  • High-speed I2C interface
  • Industrial temperature range of -40°C to +85°C
  • 84-ld 7x7 mm dual-row QFN

Description

The IDT P9165 is a programmable, multi-channel power management IC (PMIC). It includes 5 integrated, synchronous, step-down DC/DC regulators, 11 LDOs, flexible sequencing, a Real Time Clock (RTC), a 10-bit ADC, eight GPIOs, and a high speed I2C interface. The product is ideal for multi-core SoCs, ASICs, FPGAs and other multi-rail applications and is specifically designed to support the power management requirements of mobile multi-core processor platforms. The P9165 supports the connection of up to eight P9167 distributed power units (DPUs) to efficiently scale the total peak output current of the DCD1. The distributed power units offer advantages for ease-of-routing, and heat distribution.

Applied Filters: