Skip to main content
Renesas Electronics Corporation

Synchronous Dual-Port RAMs

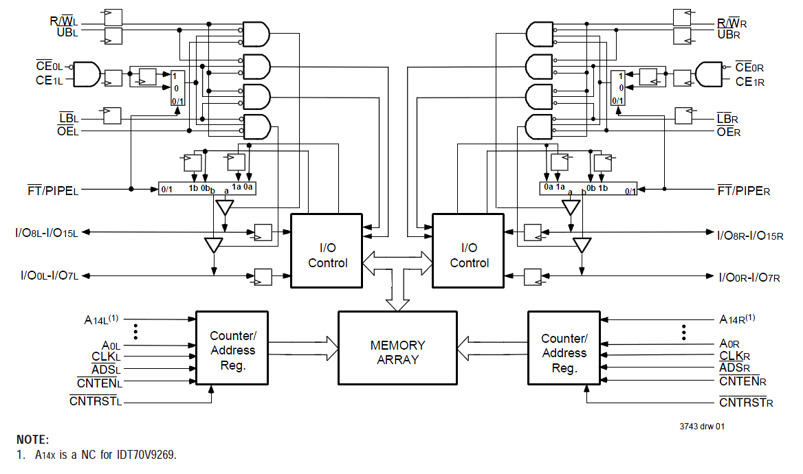
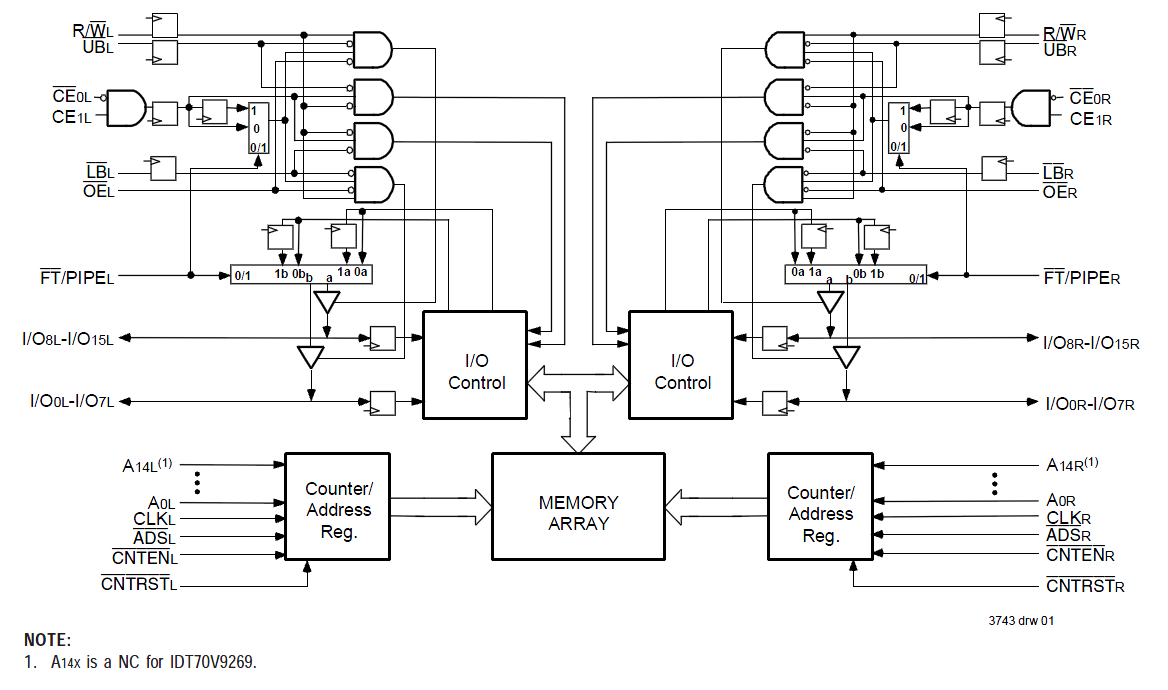
Renesas synchronous dual-port RAM products leverage our advanced multiport SRAM expertise and system design experience. These industry-leading devices feature clocked inputs and outputs for data, address, and control functions. This enables full synchronous operation and simultaneous access to a single static SRAM memory location from two independent buses. With increased bandwidth capability, dual-port SRAM effectively doubles the performance of standard SRAM, simplifying system design and reducing time-to-market. Advanced arbitration techniques—including semaphore token passing, software arbitration, and on-chip hardware arbitration—eliminate contention and system wait states, increase efficiency, and ensure optimal performance.

Enhanced Bandwidth

Enhanced Bandwidth

Superior system throughput with approximately double the performance of standard SDRAM

Simplified System Design

Simplified System Design

Reduced design complexity for accelerated development timelines

Advanced Arbitration

Advanced Arbitration

On-chip tools to prevent contention and ensure seamless operation

Flexible Voltage Support

Flexible Voltage Support

Support for 2.5V to 5V I/O voltages for versatile integration

Quality & Reliability

Quality & Reliability

Available in commercial, industrial, and military grades to meet diverse application needs

About Dual-Port SRAM

Dual-port SRAM memory (DPRAM) is static random access memory that supports multiple simultaneous reads or writes in the memory to increase performance. Dual-port memory allows two memory cell accesses per clock cycle, compared to only one for single-port memory. DPRAM uses an eight-transistor basic memory cell, which typically increases die size. Our optimized solutions feature highly compact packages to prevent the need for larger die sizes.

Key DPRAM Parameters

  • Memory Density: Number of bits the DPRAM can store in memory. Renesas offers sizes up to 36Mb.
  • Bus Width: Number of "lanes" used to read and write. We offer all popular configuration sizes.
  • I/O Frequency: Supported clock signal frequencies. Our DPRAM solutions support frequencies up to 200MHz.
  • Output Type: Method for output of memory data from the DPRAM. Our devices offer both flowthrough and pipelined options.
  • Core Voltage: Supply voltage powering the device is typically determined by available power rails.
  • I/O Voltage: Voltage used for data input and output is separate from core voltage in some devices.

Support

Browse Articles

Knowledge Base

Browse our knowledge base for helpful articles, FAQs, and other useful resources.
Support Communities

Support Communities

Get quick technical support online from Renesas Engineering Community technical staff.