Skip to main content
Renesas Electronics Corporation

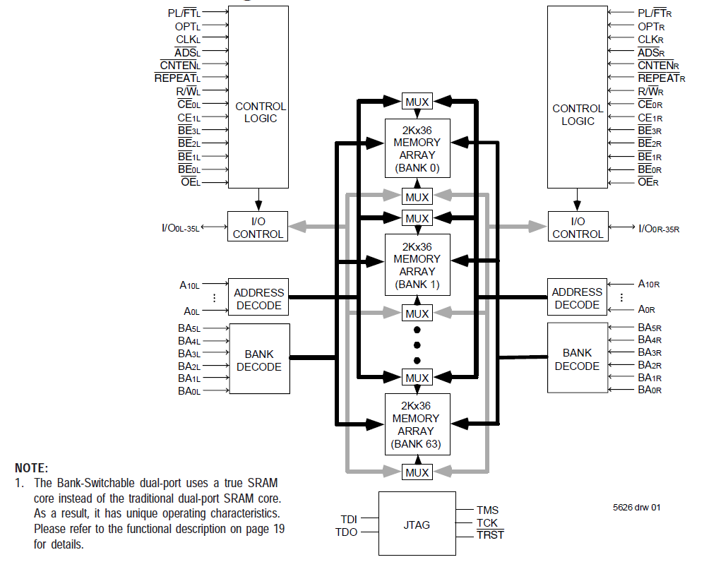
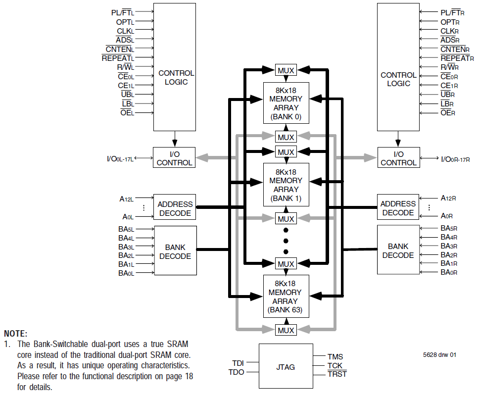
Bank-Switchable Dual-Port RAMs

Renesas synchronous bank-switchable dual-ported RAMs offer increased density and lower cost per bit, while retaining many features of true dual-port memory. These features include shared array access, separate clocks per port, 166MHz operating speed, full-boundary counters, and pinout compatibility with the dual-port family.

Support

Browse Articles

Knowledge Base

Browse our knowledge base for helpful articles, FAQs, and other useful resources.
Support Communities

Support Communities

Get quick technical support online from Renesas Engineering Community technical staff.