特長
- Digital communication and calibration interfaces:
- SPI up to 10MHz
- I2C (Standard, Fast, Fast+) and I3C SDR
- One-wire-interface (OWI), up to 100kBit/s
- Accommodates nearly all resistive bridge sensor types (signal spans from 1mV/V up to 500mV/V)
- Supports different sensor element configurations:
- Resistive bridge or half-bridge
- Resistive divider string
- Voltage source
- On-chip temperature sensor
- External temperature sensing supported, for example, sensor-bridge as temperature detector, external diode, etc.
- Programmable 16-bit digital-to-analog-converter and output (supporting “True-0Volt”-output):
- (0V to 1V) or (0V to 5V) absolute voltage output
- VDD-ratiometric voltage output
- 4mA to 20mA current-loop output supported
- 0V to 10V absolute-voltage output supported
- Wide operational temperature and supply range
- On-chip voltage regulators for sensor supply, and IC operation
- Support for extra regulation by external transistor, for example, JFET (especially for industrial supply voltages > 5.5VDC)
- Programmable sensor-signal-conditioning math core
- Reprogrammable, nonvolatile memory (NVM)
- On-chip diagnostics:
- Sensor connection
- AFE self-test
- Memory integrity
説明
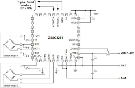
The ZSSC3281 is a dual path sensor signal conditioning IC (SSC) for highly accurate amplification, digitization, and sensor-specific correction of sensor signals. The ZSSC3281 is suitable for bridge and half-bridge sensors, as well as external voltage-source element and single-element sensors (for example, Pt100 and external temperature sensor diodes) powered by an on-chip current source. Digital compensation of the sensor offset, sensitivity, temperature drift, and non-linearity is accomplished via a 32-bit ARM M3 based math core running a correction algorithm with calibration coefficients stored in a non-volatile, reprogrammable memory. The programmable, integrated sensor front-end allows optimally applying various sensors for a broad range of applications.
The ZSSC3281 provides measurement value readouts and programming capabilities via an I2C, SPI, or one-wire interface (OWI). Absolute and ratiometric voltage, current-loop, or interrupt outputs are supported by the ZSSC3281.
パラメータ
| 属性 | 値 |
|---|---|
| Function | Resistive SSC |
| Automotive Qual. | No |
| Supply Voltage (V) | 1.8 - 48 |
| Input Type | Dual-bridge |
| Interface | I2C, SPI, Alarm, Ratiometric Voltage, Absolute Voltage, Current Loop, OWI, PWM, 2xPDM, 2xPWM |
| Adj. Analog Gain | 1.32 - 540 |
| Resolution (bits) | 24 |
| Sample Rate Max (KHz) | 2.91 |
| Temp. Range (°C) | -40 to 85°C, -40 to 125°C, 0 to 70°C |
アプリケーション
- Calibrated, continuously operating sensors with digital interface and/or analog output: (absolute or ratiometric) voltage or current loop output
- Enables smart, digital sensors for energy-efficient solutions
- (Dual/Diff.) pressure, flow and level sensing
- Industrial applications, for example–process/factory automation
- Consumer / white goods, for example–HVAC, weight scales
- Medical applications, for example–blood pressure, continuous smart health monitors
適用されたフィルター
フィルター
ソフトウェア/ツール
サンプルコード
シミュレーションモデル
Learn about Renesas’ ZSSC3281 industry leading dual path sensor signal conditioning IC for fast and highly accurate amplification, digitization, and application specific correction of sensor signals.
A brief introduction and overview of IDT's (acquire by Renesas) sensor signal conditioner evaluation kits. Evaluation kits generally consist of three parts: a communication interface board, a device board, and a sensor simulator board - all connected together. A sophisticated software GUI accompanies the kit, enabling an engineer to learn how to use the part rapidly, do quick prototyping, and practice calibrations.
Presented by David Grice, applications engineer at IDT. For more information about IDT's sensor signal conditioner products, visit the Sensor Signal Conditioner page.
ニュース&ブログ
ブログ
2022年6月22日
|