Skip to main content

Features

  • Advanced linear digital modulation scheme
    • Auto phase add/drop with PFM mode for excellent load vs efficiency profile
    • Dual edge modulation with optional diode braking for faster transient response
    • Excellent VOUT transition performance
    • Zero latency synthetic current control for excellent high-frequency current balance
  • Flexible phase assignment from 0 to 9 phases per output
  • Up to 2MHz switching frequency operation for high-density designs
  • Differential remote voltage sensing supports ±0.5% closed-loop system accuracy over load, line, and temperature
  • Highly accurate current sensing for excellent load-line regulation and accurate OCP
    • Supports the full range of Renesas Smart Power Stage (SPS) devices
  • Comprehensive fault management enables high-reliability systems
    • Pulse-by-pulse (per phase) and total output current limiting
    • Black Box status recording capability with first fault indicator
  • Intuitive configuration using PowerNavigator software
  • SMBus/PMBus v1.3 compatible
  • Up to 16 user configurations stored in device Non-Volatile Memory (NVM)

Description

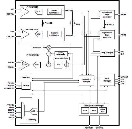
The ISL68225 is a digital dual output multiphase (X+Y ≤ 9) PWM controller supporting PMBus v1.3/AVSBus interfaces. The controller can be configured to support phase assignments up to a maximum of nine phases across the two outputs (X and Y). For example, 8+1, 7+2, 6+3, 5+4, or a single output operation as a 9+0 configuration is supported. Increased power density and PMBus v1.3 interface support allow the devices to support any demanding power supply requirement.

The ISL68225 uses the proprietary Renesas digital synthetic current modulation scheme to achieve the industry-best combination of transient response, ease of tuning, and efficiency across the full load range. Diode emulation and automatic phase add/drop features allow you to extract maximum efficiency from the converter regardless of load conditions. You can use the intuitive PowerNavigator™ software to configure and monitor the device.

With minimal external components, easy configuration, robust fault management, and highly accurate regulation capability, implementing a high-performance, multiphase regulator has never been easier.

Parameters

Attributes Value
Outputs (Max) (#) 2
Phases (Max) 9
Input Voltage (Min) (V) 4.5
Input Voltage (Max) (V) 18
Output Voltage (Min) (V) 0
Output Voltage (Max) (V) 3.05
Output Current (Max) [Rail 1] (A) 810
Bias Voltage Range (V) 3.135 - 3.465
Parametric Applications DDR Memory Solutions, Artificial intelligence/accelerator cards (FPGA, ASIC), Network Equipment, Server/storage equipment, Telecom/datacom equipment, POL Power Supplies (memory, DSP, ASIC, FPGA)
Qualification Level Standard
Temp. Range (°C) -40 to +85°C

Package Options

Pkg. Type Pkg. Dimensions (mm) Lead Count (#) Pitch (mm)
QFN 6.0 x 6.0 x 0.90 52 0.4

Applications

  • DDR memory solutions
  • Artificial intelligence/Accelerator cards (FPGA, ASIC)
  • Network equipment
  • Server/Storage equipment
  • Telecom/Datacom equipment
  • Point-of-load power supply (memory, DSP, ASIC, FPGA)

Applied Filters: