Skip to main content
Renesas Electronics Corporation

Features

  • Supports Multiple RapidCharge Protocols:
    • USB PD 3.0 PPS (Programmable Power Supply)
    • Qualcomm® Quick Charge™ 4+
    • Direct Charge
    • Other RapidCharge Protocols
  • USB-IF PD 3.0 certified (USB PD 3.0 + PPS)
  • Compatible with USB Type-C™ Rev. 1.2
  • Supports wide output voltage range from 3.3 to 21V
  • NMOS VBUS Switch Lowers System Cost
  • VCONN Support for Smart Cables
  • Integrated Current Sense
  • Single Optocoupler for All Rapid Charge Information
  • Low No-Load Power Consumption <20mW
  • High Efficiency up to 90%
  • Double-Layer Cable Protection:
    • Secondary side (iW657P): D+/D-/CC1/CC2 Overvoltage Protection; Optional Secondary-Side Current Sensing Circuit for Over-Load Fault Protection
    • Primary side (iW1791, iW1797, iW1799): Advanced Cable Fault Protection Reduces Average Output Power at Fault
  • Automatic AC Un-Plug Detection
    • Protects Phone Battery from Damage Due to High Voltage Exposure if Charger is Unplugged then Re-Plugged into Mains with Charging Cable Still Connected

Description

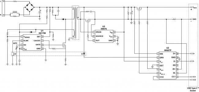
The iW657P USB power delivery (USB PD) 3.0 interface controller resides on the secondary side of the AC/DC power supply and manages the communication between the power adapter and mobile device.

The iW657P works with Renesas' (iW1791, iW1797, and iW1799) RapidCharge™ primary-side controller and supports fast charging protocols, including USB PD 3.0, Qualcomm® Quick Charge™ 4+, and direct charging. It transmits all necessary information via an optocoupler to the primary side, including voltage requests, output current limits, output voltage undershoot, output overvoltage, and fault and reset signals. It also offers an optional secondary-side current sensing circuit to provide additional overload fault protection.

The iW657P also works with Renesas' iW676 synchronous rectifier, which eliminates the need for a parallel Schottky diode for higher efficiency and lower BOM cost.

Parameters

AttributesValue
FunctionRapidCharge™ Protocol IC
Supported ProtocolsQC2.0, QC3.0, USB PD 3.0 w/PPS

Package Options

Pkg. TypePkg. Dimensions (mm)
Contact Us3 x 4 x 0.75

Applications

  • USB PD 3.0 AC/DC Power Adapters for Smartphones, Tablets, Laptops and Other Mobile Devices
  • USB PD 3.0 Power Supplies for Set Top Boxes, Displays, Speakers
  • USB PD 3.0 in-the-wall receptacles
  • Lamps and lighting fixtures with USB PD 3.0 ports

Applied Filters: