Skip to main content

Our comprehensive portfolio of QuickSwitch® 2.5/3.3V and 5V bus switches deliver cost-effective, high-performance solutions tailored to your needs. These innovative devices feature low on-resistance and high-speed switching for seamless operation without propagation delay, ground bounce noise, or static power dissipation. Our bus switches are designed for versatility, with support for functions, including multiplexer, demultiplexer, analog switching, and rail-to-rail switching.

Exceptional Speed & Efficiency

Exceptional Speed & Efficiency

QuickSwitch technology minimizes on-resistance and eliminates propagation delay to deliver fast and energy-efficient performance.

Designed for Mixed-Supply Environments

Designed for Mixed-Supply Environments

Enable seamless communication between buses with different supply voltages, ensuring compatibility and reliability.

Diverse Configuration Options

Diverse Configuration Options

Choose from octal, double-density, and wide-bus configurations to meet your specific design requirements.

Product Portfolio

Compare All Products

About Bus Switches

About Bus Switches

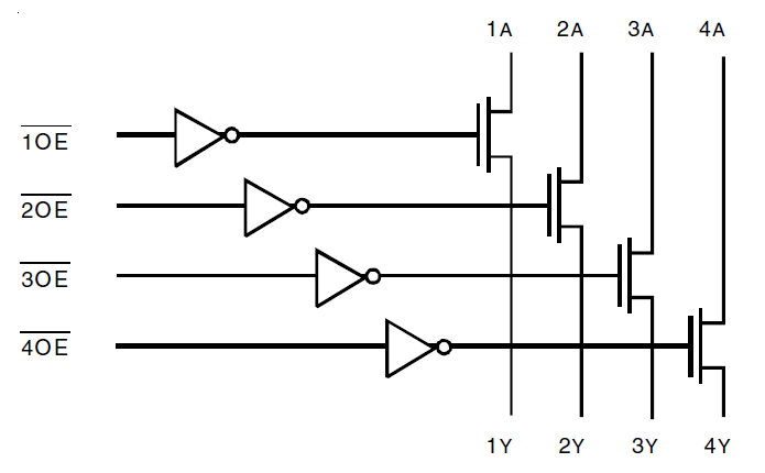
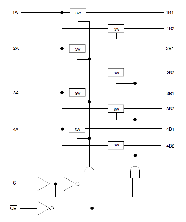
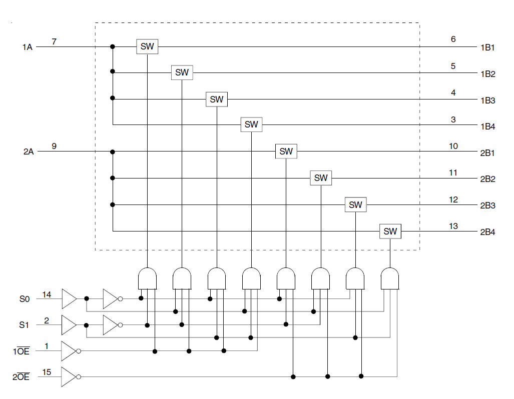
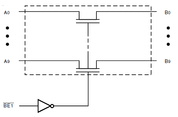
A bus switch IC, or analog switch, is an array of high-speed, low-resistance CMOS switches used to transmit a group of signals called a signal bus. These ICs, including Renesas QuickSwitch ICs, perform the same basic function as a mechanical relay but without moving parts, improving performance. The control input is typically a digital signal toggling between positive and negative supply voltages.

Key Bus Switch Parameters

Key Bus Switch Parameters

  • On-Resistance: Renesas bus switches deliver extremely low on-resistance—as low as 5Ω—making them nearly invisible within the system architecture.
  • Bus Width: We offer bus switch ICs with up to 32 signal paths, reducing PCB space and streamlining the bill of materials.
  • Core Voltage: Our bus switches are available in both 2.5/3.3V and 5V options to accommodate various system power supply configurations.

Support

Browse Articles

Knowledge Base

Browse our knowledge base for helpful articles, FAQs, and other useful resources.
Support Communities

Support Communities

Get quick technical support online from Renesas Engineering Community technical staff.