Skip to main content
Renesas Electronics Corporation

Features

  • Single-chip, 15W, wireless power receiver
  • WPC 1.2.2 compliant
  • Full synchronous rectifier with low resistance switches
  • Embedded 32bit ARM® Cortex®-M0 processor
  • Proprietory overvoltage protection eliminating external capacitors
  • Low standby and operating mode power consumption
  • Programmable current limit
  • Supports I2C interface

Description

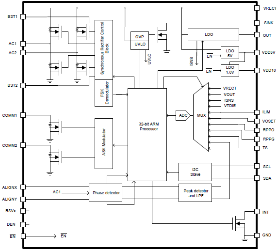
The P9221-R is a highly-integrated, Qi-compliant wireless power receiver targeted for 15W applications. Using magnetic inductive charging technology, the receiver converts an AC power signal from a resonant tank into a regulated 9V or 12V DC output voltage. The integrated, low-RDS(ON) synchronous rectifier and ultra-low-dropout regulator offer high-efficiency, making the product ideal for battery-operated applications.

The receiver includes a 32-bit ARM Cortex®-M0 processor offering a high level of programmability. The device outputs proprietary alignment guide information for optimum coupling between the receiver and the transmitter, and features a programmable current limit. The innovative over-voltage protection scheme eliminates the need for additional capacitors generally required by other receivers, minimizing the external component count and cost. Together with the P9242-R transmitter, the P9221-R is a complete wireless power system solution for 15W applications. The P9221-R is available in a space-saving 2.64 × 3.94 mm 52-WLCSP package. It is rated for the -40°C to 85°C ambient operating temperature range.

Applied Filters: