Skip to main content
Renesas Electronics Corporation

Features

  • Integrated secondary-side controller with zero standby power capability
    • Secondary-side regulation
    • Integrated synchronous rectifier controller
    • NFET driver for disconnect function
    • Zero Standby Power (ZSP) mode
  • Supports up to 7A of current, 21V output voltage
  • TDFN-14 package enables single-sided PCB designs for lower-cost power supplies
  • Intelligent, standby power mode
    • Zero standby power (< 5mW) when paired with iW9860, iW9870
    • < 20mW standby power when paired with iW9861
  • Built-in digital loop compensation reduces external component count
  • Supports both DCM and CCM operation
  • Rich protection for:
    • Overvoltage (OVP)
    • Overcurrent (OCP)
    • User-configurable over-temperature

Description

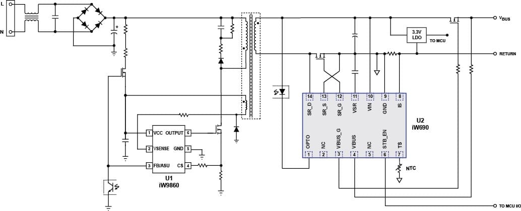
The iW690 integrates a synchronous rectifier (SR) controller, secondary-side regulation controller, and a unique zero standby power (ZSP) mode into one device for power supplies up to 140W+ with excellent active mode efficiency and zero standby power capability at no load. The ZSP mode enables systems with long periods of inactivity to reduce the power supply consumption to < 5mW by putting the iW690 into an ultra-low power consumption mode. The iW690, in turn, communicates to the ZSP-compatible primary-side controller (iW9860, iW9870) to put that device also into an ultra-low standby power mode, reducing the total power consumption to < 5mW, while making it instantly available when the ZSP mode is disabled.

The iW690 supports adaptive synchronous rectifier control and drive for optimal efficiency and drives an N-channel disconnect switch to disconnect the power supply from the output during zero standby power mode, making the solution to reduce the power consumption low-cost and easy to design. Fully digital voltage compensation eliminates the need for external passive components for loop compensation.

Parameters

AttributesValue
FunctionIntegrated Regulation, Synchronous Rectifier Controller

Package Options

Pkg. TypePkg. Dimensions (mm)Lead Count (#)
TDFN-14L3 x 4 x 0.7514

Applications

  • Zero Standby Power AC/DC power supplies for TVs, monitors, and appliances

Applied Filters: